Texas Instruments TPS624xx-Q1 Abwärtswandler
Texas Instruments TPS624xx-Q1 Abwärtswandler sind synchrone Dual-Abwärts-DC/DC-Wandler für Automobil-Applikationen wie z. B. erweiterte Fahrerassistenzsysteme (ADAS). Sie bieten zwei unabhängige Ausgangsspannungsschienen, die von einer 3,3V- oder 5V-Spannungsschiene versorgt werden und über feste Ausgangsspannungen verfügen, die für die Versorgung des CMOS-Imagers oder Serialisierer-Entserialisierer in ADAS-Kameramodulen optimiert ist. Die serielle EasyScale™-Schnittstelle ermöglicht die Modifizierung der Ausgangsspannungen während des Betriebs. Die Versionen mit festen Ausgangsspannungen der TPS624xx-Q1 unterstützen eine Ein-Pin-gesteuerte einfache dynamische Spannungsskalierung für stromsparende Prozessoren.Diese Wandler arbeiten bei einer festen Schaltfrequenz von 2,25 MHz und schalten bei niedrigem Laststrom in den Stromsparmodus, um über den gesamten Laststrombereich einen hohen Wirkungsgrad beizubehalten. Für rauscharme Applikationen kann man die Bauteile in einen Festfrequenz-PWM-Modus zwingen, indem der MODE-/DATA-Pin hochgezogen wird. Der Abschaltmodus reduziert den Stromverbrauch auf 1,2 µA (typisch). Die Bauteile verwenden kleine Induktivitäten und Kondensatoren für eine kleine Lösungsgröße.
Merkmale
- Qualifiziert für Automobil-Applikationen
- AEC-Q100-qualifiziert mit den folgenden Ergebnissen:
- Temperatur des Bauteils der Klasse 1: -40 °C bis +125 °C Sperrschichttemperatur bei Betrieb
- HBM-ESD-Bauteilklassifikation Stufe 2
- CDM-ESD-Bauteilklassifikation Stufe C4B
- Hoher Wirkungsgrad von bis zu 95 %
- VIN-Bereich von 2,5 V bis 6 V
- 2,25 MHz Betrieb mit fester Frequenz
- Ausgangsstrom TPS62406-Q1 1.000 mA/400 mA
- Ausgangsstrom TPS62407-Q1 400 mA/600 mA
- Feste Ausgangsspannungen
- Optionale serielle EasyScale™-Ein-Pin-Schnittstelle
- Stromsparmodus bei geringen Lastströmen
- 180° Phasenversetzter Betrieb
- Ausgangsspannungsgenauigkeit im PWM-Modus von ±1 %
- Typischer Ruhestrom von 32 µA für beide Wandler
- 100 % Tastverhältnis für niedrigsten Dropout
Applikationen
- Automobil-Point-of-Load-Regler
- ADAS-Kameramodule
- Spiegelersatz (CMS)
- Infotainment- und Kombi-Systeme
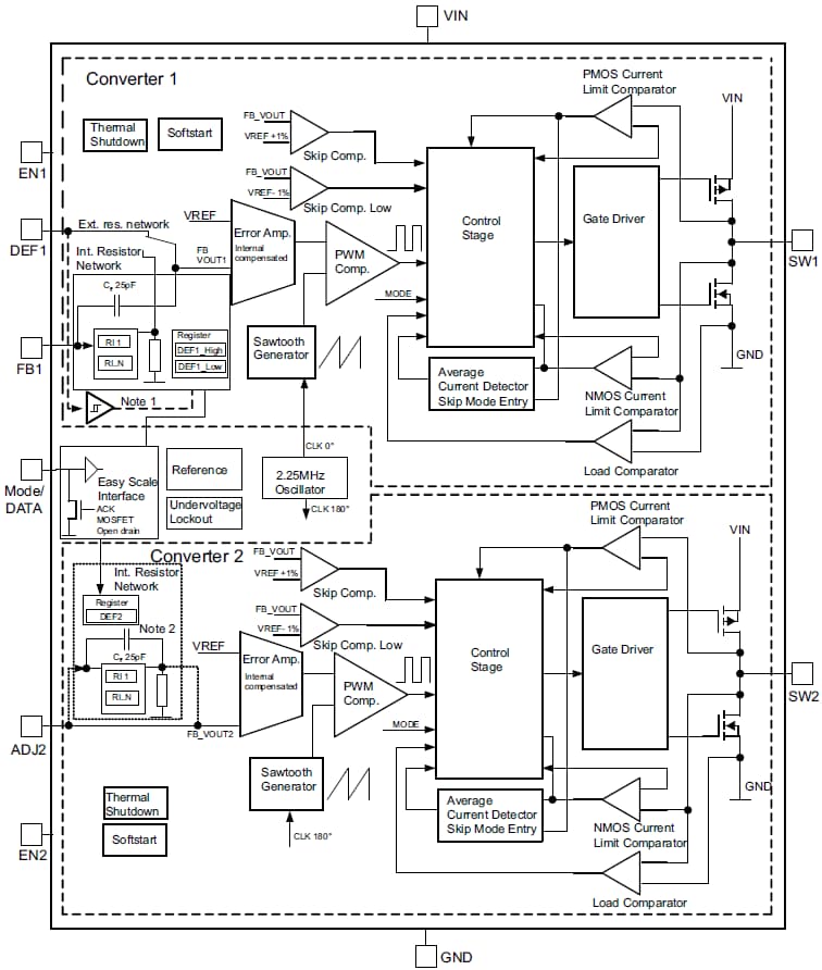
Funktionales Blockdiagramm
Veröffentlichungsdatum: 2018-06-15
| Aktualisiert: 2023-02-22
