Texas Instruments TPS61379-Q1 Synchroner Aufwärtswandler

Der Texas Instruments TPS61379-Q1 synchrone Aufwärtswandler ist ein vollständig integrierter Synchron-Aufwärtswandler mit integrierter Lasttrennungsfunktion. Die Eingangsspannung reicht von 2,3 V bis 14 V, während die maximale Ausgangsspannung bis zu 18,5 V beträgt. Die Schaltstromgrenze liegt bei typisch 2 A. Er verbraucht einen Ruhestrom von 25 µA von VIN.

Der TPS61379-Q1 nutzt die Spitzenstrommodussteuerung mit einer Schaltfrequenz, die von 200 kHz bis 2,2 MHz programmierbar ist. Das Bauteil arbeitet bei mittlerer bis hoher Last im Festfrequenz-PWM-Betrieb. Bei geringer Last gibt es zwei optionale Modi durch die Konfiguration des Modus-Pins: Automatischer PFM-Modus und erzwungener PWM zum Ausgleich des Wirkungsgrad und der Rauschimmunität bei leichter Last. Die Schaltfrequenz kann mit einem externen Taktgeber synchronisiert werden. Der TPS61379-Q1 verwendet die Frequenzspreizung des internen Taktgebers für einen EMI-freundlicheren FPWM-Modus. Darüber hinaus gibt es eine interne Soft-Start-Zeit zur Begrenzung des Einschaltstroms.

Der TPS61379-Q1 von Texas Instruments verfügt über verschiedene feste Ausgangsspannungsversionen zur Speichern des externen Rückkopplungswiderstands. Das Bauteil unterstützt die externe Schleifenkompensation, so dass die Stabilität und das Einschwingverhalten bei einem größeren VOUT/VIN-Bereich optimiert werden kann. Darüber hinaus enthält das Bauteil robuste Schutzfunktionen, die eine Ausgangs-Kurzschluss-Sicherung, einen Ausgangsüberspannungsschutz und einen Übertemperaturschutz umfassen. Der TPS61379-Q1 ist in einem 16-Pin-VQFN-Gehäuse mit benetzbaren Flanken mit Abmessungen von 3 mm x 3 mm verfügbar.

Merkmale

  • AEC-Q100-qualifiziert für Fahrzeuganwendungen
    • Umgebungsbetriebstemperatur der Klasse 1: -40 °C bis +125 °C
  • Funktionssicherheitsfähig
    • Dokumentation zur Unterstützung des Designs von funktionalen Sicherheitssystemen ist verfügbar
  • Flexibler Eingangs- und Ausgangsbetriebsbereich
    • Eingangsspannungsbereich: 2,3 V bis 14 V
    • Programmierbarer Ausgangsspannungsbereich: 4,0 V bis 18,5 V
    • Feste Ausgangsoptionen: 5 V, 5,25 V, 5,5 V
    • Feste 2 A Spitzenstromgrenze
  • Vermeiden von AM-Band-Störung und Nebensignaleffekt
    • Dynamisch programmierbare Schaltfrequenz: 200 kHz bis 2,2 MHz
    • Frequenzspreizungsmodulation
    • Optionale Taktsynchronisierung
  • Reduziert die Lösungsgröße für platzbeschränkte Applikationen
    • Integrierter LS/HS/ISO FET (RDS(ON) 50 mΩ/50 mΩ/100 mΩ)
    • Unterstützung von bis zu 2,2 MHz mit kleinem L-C
  • Reduzierter Leichtlast- und Leerlauf-Stromverbrauch
    • Ruhestrom zu VIN-Pin: 25 µA
    • Abschaltstrom zu VIN-Pin: 0,5 µA
    • Auswählbarer automatischer PFM- und erzwungener PWM-Modus
    • Echte Lasttrennung während Abschaltung oder Fehlerbedingungen
  • Integrierte Schutzfunktionen
    • Unterstützt VIN nahe zu VOUT-Betrieb
    • Eingangsunterspannungssperre und Ausgangsüberspannungsschutz
    • Hiccup-Ausgangskurzschluss-Sicherung
    • Power-Good-Anzeige
    • Übertemperaturschutz bei 165 °C
  • Wirkungsgrad von mehr als 90 % bei einer Last von 0,25 A von einer Umwandlung von 3,3 V bis 9 V

Applikationen

  • Erweitertes Fahrerassistenzsystem (FAS)
  • Automotive-Infotainment und -Kombiinstrumente
  • Karosserieelektronik und Beleuchtung
  • Notruf (eCall)

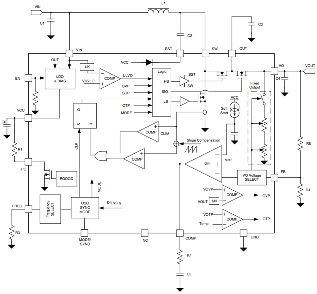
Funktionales Blockdiagramm

Blockdiagramm - Texas Instruments TPS61379-Q1 Synchroner Aufwärtswandler
Veröffentlichungsdatum: 2021-05-19 | Aktualisiert: 2022-03-11