Texas Instruments TPS56A37 Synchroner 10-A-Abwärtswandler

Der synchrone 10-A-Abwärtswandler TPS56A37 von Texas Instruments ist ein benutzerfreundlicher, hocheffizienter, synchroner Abwärtswandler mit einem breiten Eingangsspannungsbereich von 4,5 V bis 28 V. Das Bauteil unterstützt bis zu 10 A Dauerausgangsstrom bei Ausgangsspannungen zwischen 0,6 V und 13 V. Der TPS56A37 verwendet den D-CAP3-Steuermodus, um ein schnelles Einschwingverhalten, eine gute Netz- und Lastregelung ohne Notwendigkeit für eine externe Kompensation zu bieten. Er unterstützt Ausgangskondensatoren mit niedrigem äquivalenten Serienwiderstand (ESR) wie z. B. MLCCs.

Der TPS56A37 arbeitet im Eco-Modus, um eine hohe Effizienz bei geringer Last mit einer festen Schaltfrequenz von 500 kHz zu erreichen. Der TPS56A37 verfügt über eine einstellbare Sanftanlaufzeit, indem der SS-Kondensator mit der Standardeinstellung 1,8 ms verbunden und der SS-Pin potentialfrei geschaltet wird. Der TPS56A37 bietet vollständige, nicht verriegelte Schutzfunktionen für Überspannung (OV), Unterspannung (UV), Überstrom (OC), Übertemperatur (OT) und Unterspannungssperre (UVLO) in Kombination mit einer Power-Good-Anzeige und Funktionen zur Ausgangsentladung. Der TPS56A37 von Texas Instruments ist in einem 10-poligen, 3,0 mm × 3,0 mm großen HotRod-QFN-Gehäuse erhältlich; die Sperrschichttemperatur ist von -40 °C bis 150 °C spezifiziert.

Merkmale

  • 4,5 V bis 28 V Eingangsspannungsbereich
  • Ausgangsspannungsbereich: 0,6 V bis 13 V
  • Unterstützt einen Dauerausgangsstrom von 10 A
  • Integrierte 19,4-mΩ- und 8,5-mΩ- MOSFETs
  • 0,6 V ±1 % Referenzspannung bei 25 °C
  • Niedriger Ruhestrom von 45 uA
  • D-CAP3™-Steuermodus für schnelles Einschwingverhalten
  • Eco-Modus (Auto-Skip-Modus) für hohe Effizienz bei geringer Last
  • Festgelegte Schaltfrequenz von 500 kHz
  • Zyklusweise über der Stromgrenze
  • Einstellbare Sanftanlaufzeit mit Voreinstellung 1,8 ms
  • Integrierte Ausgangsentladungsfunktion
  • Power-Good-Anzeige zur Überwachung der Ausgangsspannung
  • Bis zu 98 % Einschaltdauer möglich
  • Nicht-verriegelte Schutzfunktionen für UV, OV, OT und UVLO
  • Sperrschichttemperatur bei Betrieb: -40 °C bis +150 °C
  • Kleines 10-poliges HotRod™-QFN-Gehäuse von 3,0 mm × 3,0 mm
  • Pin-zu-Pin-kompatibel mit dem 6-A- TPS56637 und dem 8-A- TPS56837

Applikationen

  • Industrie-PC, EPOS, Fabrikautomation und -steuerung
  • Multifunktionsdrucker, Videokonferenzsystem
  • Universelle Anwendungen für 12 V, 19 V, 24 V Bus-Stromversorgungen
  • Monitore, Fernsehgeräte, Lautsprecher, PCs und Notebooks sowie tragbare Elektronik

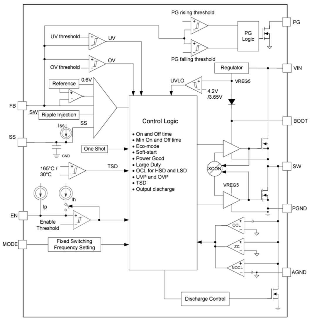
Funktionales Blockdiagramm

Blockdiagramm - Texas Instruments TPS56A37 Synchroner 10-A-Abwärtswandler
Veröffentlichungsdatum: 2024-03-27 | Aktualisiert: 2024-04-09