Texas Instruments TPS56837H Synchroner 8-A-Abwärtswandler
Der synchrone 8-A-Abwärtswandler TPS56837H von Texas Instruments ist ein benutzerfreundlicher, hocheffizienter, synchroner Abwärtswandler mit einem breiten Eingangsspannungsbereich von 4,5 V bis 28 V. Diese Wandler unterstützten bis zu 8 A kontinuierlichen Ausgangsstrom bei Ausgangsspannungen zwischen 4 V und 22 V. Die TPS56837H Wandler unterstützen dynamische Ausgangsänderungen von 5 V, 9 V, 15 V und 20 V für USB-Power-Delivery-Anwendungen (USB PD). Diese Wandler verwenden den D-CAP3-Steuermodus, um ein schnelles Einschwingverhalten, eine gute Netz- und Lastregelung ohne Notwendigkeit für eine externe Kompensation zu bieten. Die TPS56837H konvertiert Lautsprecher, Notebooks, Videokonferenzsysteme, Industrie-PCs, Fabrikautomation und Multifunktionsdrucker.Der TPS56837H arbeitet im Eco-Mode, um einen hohen Wirkungsgrad bei geringer Last mit einer festen Schaltfrequenz von 500 kHz und drei wählbaren Strombegrenzungen durch die MODE-Pin-Konfiguration zu erreichen. Der TPS56837H ermöglicht eine einstellbare Soft-Start-Zeit durch die Konfiguration des SS-Pin-Kondensators. Der TPS56837H bietet vollständige, nicht verriegelte Schutzfunktionen für Überspannung (OV), Unterspannung (UV), Überstrom (OC), Übertemperatur (OT) und Unterspannungssperre (UVLO) in Kombination mit einer Power-Good-Anzeige und Funktionen zur Ausgangsentladung. Der Texas Instruments TPS56837H ist in einem 10-poligen, 3,0 mm × 3,0 mm kleinen HotRod-QFN-Gehäuse erhältlich; die Sperrschichttemperatur ist von -40 °C bis 150 °C spezifiziert.
Merkmale
- Unterstützung für USB Power Delivery (USB PD)
- 4,5 V bis 28 V Eingangsspannungsbereich
- 4 V bis 22 V Ausgangsspannungsbereich
- Unterstützt einen kontinuierlichen Ausgangsstrom von 8 A
- Drei einstellbare zyklusweise Überstrombegrenzungen für Low-Side-MOSFET durch Moduswahl
- Hohe Effizienz über den gesamten Lastbereich
- Integrierte 20,4-mΩ und 9,5-mΩ-MOSFETs
- 45 μA Niedriger Ruhestrom
- Festgelegte Schaltfrequenz von 500 kHz
- 98,7 % Wirkungsgrad bei VIN = 24 V, VOUT = 20 V und IOUT = 3 A
- Eco-Modus für hohe Effizienz bei geringer Last
- 0,6 V ±1 % Referenzspannung bei 25 °C
- D-CAP3™-Steuermodus für schnelles Einschwingverhalten
- Einstellbare Sanftanlaufzeit durch SS-Kondensator
- Integrierte Ausgangsentladungsfunktion
- Power-Good-Anzeige zur Überwachung der Ausgangsspannung
- Bis zu 98 % Einschaltdauer möglich
- Nicht-verriegelte Schutzfunktionen für UV, OV, OT und UVLO
- Sperrschichttemperatur bei Betrieb: -40 °C bis +150 °C
- Kleines 10-poliges 3,0 mm × 3,0 mm HotRod™-QFN-Gehäuse
- Pin-zu-Pin-kompatibel mit dem 6 A TPS56637 und dem 8 A TPS56837
Applikationen
- USB-Netzteile mit Stromverteilung
- Industrie-PC, EPOS, Fabrikautomatisierung und -steuerung
- Multifunktionsdrucker, Videokonferenzsystem
- Monitore, Fernsehgeräte, Lautsprecher, PCs und Notebooks sowie tragbare Elektronik
- Universelle Anwendungen für 12 V, 19 V, 24 V Bus-Stromversorgungen
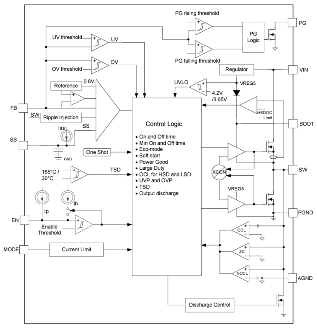
Funktionales Blockdiagramm
