Texas Instruments TPS549B22 Synchroner Abwärtswandler
Der Texas Instruments TPS549B22 synchrone Abwärtswandler ist ein kompakter Einzel-Abwärtswandler mit adaptivem D-CAP3-On-Time-Steuermodus. Dieses Bauteil bietet eine hohe Genauigkeit, einen hohen Wirkungsgrad, ein schnelles Einschwingverhalten, eine einfache Handhabung und eine geringe Anzahl externer Komponenten für Netzsysteme mit geringem Platzbedarf. Der TPS549B22 verfügt über vollständig differentiell messende, integrierte FETs mit einem High-Side-on-Wiederstand von 4,1 mΩ und einem Low-Side-on-Wiederstand von 1,9 mΩ. Darüber hinaus verfügt das Bauteil über eine genaue 0,5 %, 0,9 V-Referenz mit einem Umgebungstemperaturbereich zwischen -40 °C und 125 °C. Wettbewerbsvorteile sind die sehr geringe Anzahl externer Komponenten, die präzise Lastregelung und Leitungsregulierung, der Auto-Skip- oder FCCM-Modus sowie die interne Sanftanlauf-Steuerung.Merkmale
- Eingangsspannung (PVIN): 1,5 V bis 18 V
- Eingangs-Vorspannungsbereich (VDD): 4,5 V bis 22 V
- Ausgangsspannungsbereich: 0,6 V bis 5,5 V
- Integrierte 4,1 mΩ und 1,9 mΩ Leistungs-MOSFETs mit 25 A Dauerausgangsstrom
- Spannungsreferenz 0,6 V bis 1,2 V in Stufen von 50 mV mit VSEL-Pin
- ±0,5 % 0,9-VREF-Tolerenzbereich: -40 °C bis +125 °C Sperrschichttemperatur
- Echte differentielle Fernerkundungs-Verstärker
- D-CAP3™ Regelkreis
- Adaptive On-Time-Steuerung mit 8 PMBus™-Frequenzen: 315 kHz, 425 kHz, 550 kHz, 650 kHz, 825 kHz, 900 kHz, 1,025 MHz, 1,125 MHz
- Temperaturkompensierte und programmierbare Strombegrenzung mit RILIM und OC-Klemme
- Auswahl von Hiccup- oder Latch-Off-Überspannungsschutz (OVP) oder -Unterspannungsschutz (UVP)
- VDD UVLO externe Einstellung durch Präzisions-EN
- Anlauf-Unterstützung durch Vorspannung
- Eco-mode™- und FCCM-wählbar
- Vollständige Suite mit Ausfallschutz und PGOOD
- Standard-VOUT_COMMAND und VOUT_MARGIN (HOCH - und NIEDRIG)
- Pin-Strapping und On-the-Fly-Programmierung
- Störungsmeldungen und Warnhinweise
- NVM-Backup für ausgewählte Befehle
- 1 MHz PMBus mit PEC und SMB_ALRT#
Applikationen
- Unternehmensspeicher, SSD, NAS
- Kabellose und verkabelte Kommunikationsinfrastruktur
- Industrie-PCs, Automatisierung, ATE, PLC, Videoüberwachung
- Unternehmens-Server, Schalter und Router
- ASIC, SoC, FPGA, DSP-Core und I/O-Schienen
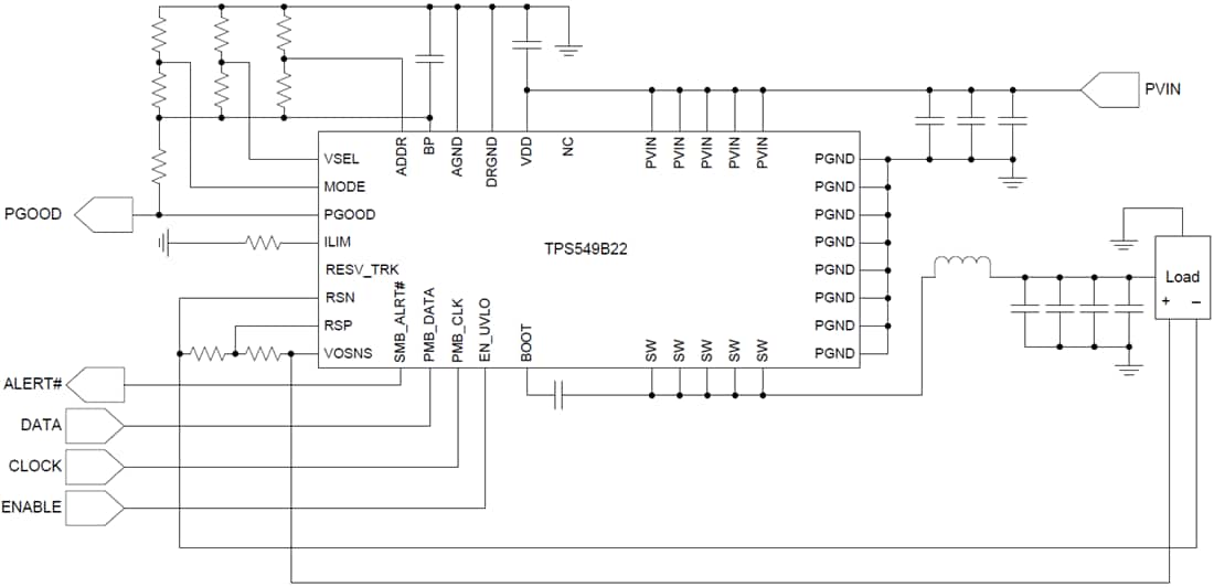
Vereinfachte Applikation
Veröffentlichungsdatum: 2017-09-22
| Aktualisiert: 2022-06-09
