Texas Instruments TPS53647 Abwärtsregler

Der Texas Instruments TPS53647 Abwärtsregler ist ein Hochstrom-Mehrphasen-Abwärtsregler. Das Gerät bietet einen eingebauten nicht flüchtigen Speicher (NVM) und eine PMBus-Schnittstelle. Es ist vollständig kompatibel mit der NexFET Leistungsstufe (CSD95372BQ5MC). Der TPS53647 bietet eine 8-Bit-BOOT Spannungsauswahl, die eine Ausgangsspannung von 0,5V bis 2,5V mit kleinen 5mV-Stufen abdeckt. Dies ist ideal für Hochstromanwendungen, bei denen eine genaue Einstellung der Ausgangsspannung erforderlich ist. Zu den erweiterten Kontrollfunktionen gehören D-CAP+ Architektur mit Unterschwingungsreduktion (USR) und Überschwingungsreduktion (OSR). Diese bieten eine schnelle Einschwingzeit, eine sehr geringe Ausgangsleistung und einen hohen Wirkungsgrad. Der TPS53647 bietet auch eine neuartige Phasenverschiebungs-Strategie und die dynamische Phase bietet Effizienzsteigerung bei geringer Last.

Merkmale

  • 8-bit selectable BOOT voltage via pinstrap or NVM: 0.5V to 2.5V (down to 5mV step)
  • 1, 2, 3, or 4-phase operation
  • PMBus system interface for telemetry of voltage, current, power, temperature, and fault conditions
  • 1.8V and 3.3V PMBus bias compatible
  • Fault reporting: output voltage, output current, and temperature
  • Configurable with Non-Volatile Memory (NVM) or resistor Pinstrap
  • 16 levels of programmable OCP with Pinstrap or NVM
  • Fast-transient with DCAP+control
  • Optimized efficiency at light and heavy loads
  • Support pre-bias startup
  • 8 independent levels of Overshoot Reduction (OSR) and Undershoot Reduction (USR)
  • Driverless configuration for efficient high-frequency switching
  • Fully compatible with CSD95372BQ5MC NexFET power stage
  • Accurate and adjustable voltage positioning
  • 300kHz to 1MHz frequency selections with closed-loop frequency control
  • Patented AutoBalance phase balancing
  • Dynamic phase shedding with a programmable current threshold
  • Conversion voltage range: 4.5V to 17V
  • Small, 6mm × 6mm, 40-pin, QFN, PowerPAD package

Applikationen

  • Application-Specific Integrated Circuit (ASIC) power in the communications equipment
  • High-density power solutions
  • Server power
  • Smart power systems

TI Reference Designs Library

TI Referenzdesigns - Texas Instruments TPS53647 Abwärtsregler

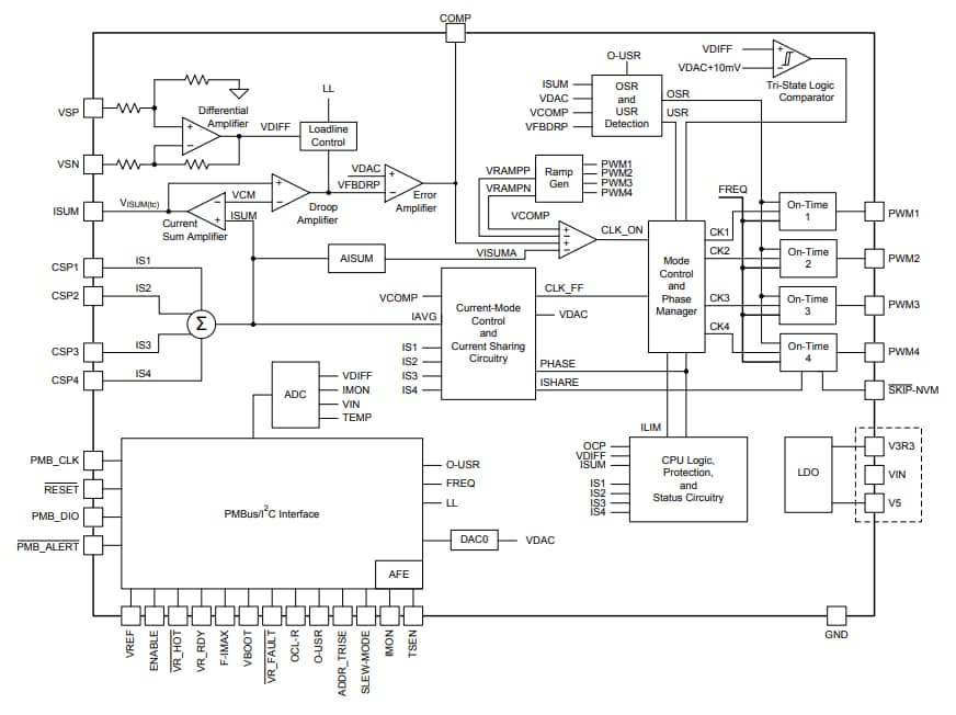
Functional Block Diagram

Blockdiagramm - Texas Instruments TPS53647 Abwärtsregler
Veröffentlichungsdatum: 2015-09-10 | Aktualisiert: 2022-03-11