Texas Instruments TPS51388 Synchroner 12-A-Abwärtswandler
Der Texas Instruments TPS51388 synchrone 12-A-Abwärtswandler verfügt über integrierte MOSFETs, die einen hohen Wirkungsgrad ermöglichen und bei einer minimalen Anzahl externer Komponenten für platzsparende Stromversorgungssysteme einfach zu verwenden sind. Der TPS51388 nutzt einen D-CAP3-Steuermodus, der eine hervorragende Netz- und Lastregelung und ein schnelles Einschwingverhalten mit interner Kompensation bietet. Die ULQ-Funktion für eine verlängerte Akkulaufzeit ist von großem Vorteil für eine lange Akkulaufzeit im Stromsparbetrieb. Der Großlastbetrieb verbessert das Lastwechselverhalten bei niedriger Eingangsspannung drastisch.Der EN-Pin kann verwendet werden, um den Eco-Modus oder den Out-of-Audio(OOA)-Modus für den Betrieb mit geringer Last einzustellen. Der Eco-Modus sorgt für einen hohen Wirkungsgrad im Betrieb mit leichter Last, während der OOA-Modus die Schaltfrequenz bei minimaler Effizienzreduzierung über der hörbaren Frequenz hält. Der EN-Pin kann dynamisch umgeschaltet werden, auch wenn der Wandler in Betrieb ist.
Der TPS51388 von Texas Instruments bietet eine Ausgangsentladungsfunktion und integriert eine Power-Good-Anzeige. Das Bauteil bietet umfassende Schutzfunktionen und umfasst OVP, UVP, OCP, OTP und UVLO. Das Bauteil ist in einem 13-Pin-HotRod-Gehäuse von 3,0 mm × 4,0 mm erhältlich, und die Sperrschichttemperatur ist von -20 °C bis +125 °C spezifiziert.
Merkmale
- 4,5 V bis 24 V Eingangsspannungsbereich
- Ausgangsspannung: 0,6 V bis 5,5 V
- Integrierte 9,2 mΩ- und 4,5 mΩ-FETs
- Unterstützt einen ununterbrochenen Ausgangsstrom von 12 A
- Niedriger Ruhestrom: 90 uA
- ± 1,0 % Genauigkeit der Referenzspannung (25 °C)
- D-CAP3™ Kontrollmodus Architektursteuerung für schnelles Einschwingverhalten
- Unterstützt POSCAP und alle MLCC-Ausgangskondensatoren
- Wählbarer Eco-Modus und Out-of-Audio™-Modus mit dynamischem Wechsel
- ULQ™ verlängert die Batterielaufzeit im Standby-Modus des Systems
- Eingebaute Funktion zur Entladung des Ausgangs
- Integrierte Power-Good-Anzeige
- Wählbare Schaltfrequenz: 600 kHz und 1 MHz
- Festgelegte Sanftanlaufzeit: 1,0 ms
- Betrieb mit großem Tastverhältnis
- Zyklus-für-Zyklus-Überstromschutz und negativer Überstromschutz
- Verriegelter Ausgang, OV und UV-Schutz
- Nicht verriegelte UVLO- und OT-Schutzfunktionen
- Sperrschichttemperatur im Betrieb: -20 °C bis +125 °C
- 13-Pin-HotRod™-VQFN-Gehäuse von 3,0 mm x 4,0 mm
Applikationen
- Notebooks und PC-Computer
- Ultrabook, Handheld-Tablet-Computer
- Industrie-PC, Single-Board-Computer
- Nichtmilitärische Drohne
- Verteilte Stromversorgungssysteme
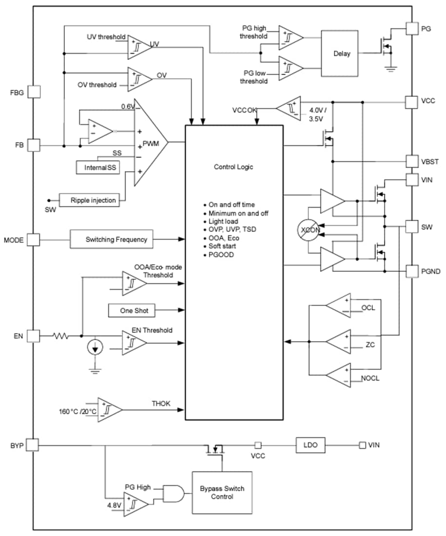
Blockdiagramm
