Texas Instruments TPS51386 Synchroner Abwärtswandler

Der synchrone Abwärtswandler TPS51386 von Texas Instruments ist ein monolithischer synchroner Abwärtswandler mit adaptivem On-Time- D-CAP3 Steuermodus. Dieses Gerät verfügt über einen Eingangsspannungsbereich von 4,5 V bis 24 V, einen Ausgangsspannungsbereich von 0,6 V bis 5,5 V, einen Dauerstrom (IOUT) von 8 A und einen niedrigen Ruhestrom von 84 μA. Der TPS51386 enthält integrierte Leistungs-MOSFETs mit niedrigem RDS(on), die einen hohen Wirkungsgrad ermöglichen und für eine einfache Verwendung mit einer minimalen Anzahl externer Komponenten für Stromversorgungssysteme mit begrenztem Platzangebot sorgen. Dieser synchrone Abwärtswandler verfügt über eine genaue Referenzspannung, ein schnelles Einschwingverhalten bei Last, einen Auto-Skip-Modus-Betrieb für Effizienz bei geringer Last und einen Out-of-Audio™ (OOA)-Betrieb bei geringer Last mit einer Schaltfrequenz von über 25 kHz.

Der TPS51386-Wechselrichter bietet umfassende Schutzfunktionen wie Überspannungsschutz (OVP), Unterspannungsschutz (UVP), Überstromschutz (OCP), Übertemperaturschutz (OTP) und Unterspannungssperrschutz (UVLO). Zu den typischen Anwendungen gehören Laptops, PCs, Computer, Ultrabooks, Tablet-Computer, TV-Geräte, STBs, Point-of-Load (POL) und verteilte Stromversorgungssysteme.

Merkmale

  • 4,5 V bis 24 V Eingangsspannungsbereich
  • Ausgangsspannungsbereich: 0,6 V bis 5,5 V
  • Integrierte 22 mΩ und 11 mΩ MOSFETs
  • Unterstützt 8 A Dauerstrom (IOUT)
  • D-CAP3™ Steuermodus für schnelles Einschwingverhalten
  • 84 µA Niedriger Ruhestrom
  • ±1 % Referenzspannung 0,6 V bei 25 °C
  • ±1,5 % Referenzspannung 0,6 V bei –40°C bis 125 °C
  • 600 kHz Schaltfrequenz
  • Unterstützt POSCAP und alle MLCC-Ausgangskondensatoren
  • Wählbarer PSM- und Out-of-Audio™ (OOA)-Modus bei geringer Last und unterstützt spontane Änderungen
  • Einstellbarer Soft-Start und interner 1 ms Soft-Start
  • Betriebsunterstützung für große Lasten
  • Power-Good-Anzeige zur Überwachung der Ausgangsspannung
  • OV- und UV-Schutz mit verriegeltem Ausgang
  • Nicht-verriegelbare UVLO- und OT-Schutzvorrichtungen
  • Zyklus-für-Zyklus-Überstromschutz
  • Integrierte Ausgangsentladungsfunktion
  • Kleines 2 mm × 3 mm HotRod™ QFN-Gehäuse

Applikationen

  • Notebooks
  • PCs
  • Ultrabooks
  • Tablet-Computer
  • TV-Geräte und STBs
  • Punktlast (POL)
  • Verteilte Energiesysteme

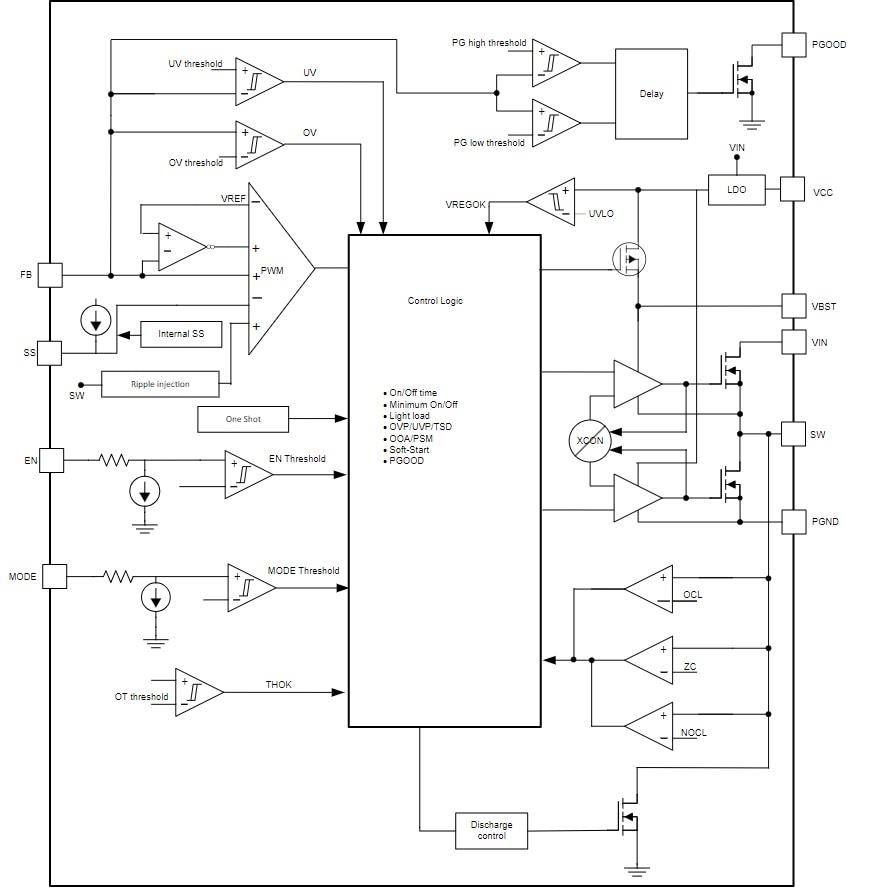
Blockdiagramm

Blockdiagramm - Texas Instruments TPS51386 Synchroner Abwärtswandler

Typische Anwendungsschaltung

Applikations-Schaltungsdiagramm - Texas Instruments TPS51386 Synchroner Abwärtswandler
Veröffentlichungsdatum: 2024-01-22 | Aktualisiert: 2024-02-19