Texas Instruments TPS51385 7 A Synchroner Abwärtswandler
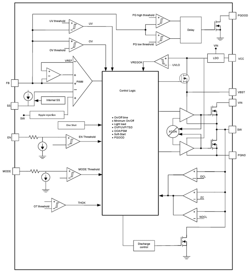
Der synchrone Abwärtswandler TPS51385 7 A von Texas Instruments unterstützt den adaptiven Einschaltzeit-D-CAP3-Steuerungsmodus. Die integrierten Leistungs-MOSFETs mit niedrigem RDS(on) ermöglichen einen hohen Wirkungsgrad und bieten Benutzerfreundlichkeit bei einer minimalen Anzahl externer Komponenten für platzsparende Stromversorgungssysteme. Zu den Eigenschaften zählen eine genaue Referenzspannung, der automatische Überspringmodus für hohe Effizienz bei geringer Last, schnelles Einschwingverhalten bei Last, OOA-Betrieb bei leichter Last mit einer Schaltfrequenz > 25 kHz, den D-CAP3-Steuermodus mit Lastregelung, gute Leitungsregelung und, dass das Bauelement keine externe Kompensation erfordert.Der TPS51385 bietet umfassenden Schutz vor Überspannung (OVP), Unterspannung (UVP), Überstrom (OCP), Überhitzung (OTP) und Unterspannungssperre (UVLO). Das Bauelement ist mit einer kombinierter Ausgangsentladefunktion und einem Power-Good-Signal ausgestattet. Der TPS51385 ermöglicht die Anpassung sowohl der externen als auch der internen Soft-Start-Zeitoptionen. Das Gerät verfügt über eine interne feste Soft-Start-Zeit von 1 ms. Falls die Anwendung eine längere Soft-Start-Zeit erfordert, kann der externe SS-Pin genutzt werden, indem ein externer Kondensator angeschlossen wird, um die gewünschte längere Soft-Start-Zeit zu erreichen. Die Bauelemente TPS51385 von Texas Instruments sind für den Betrieb bei Sperrschichttemperaturen von -40 °C bis 125 °C ausgelegt und in einem thermisch optimierten 12-Pin-QFN-Gehäuse erhältlich.
Merkmale
- 4,5 V bis 24 V Eingangsspannungsbereich
- Ausgangsspannungsbereich: 0,6 V bis 5,5 V
- Integrierte 22 mΩ und 11 mΩ MOSFETs
- Unterstützt 7 A kontinuierlichen IOUT
- 84 µA Niedriger Ruhestrom
- ±1 % Referenzspannung (0,6 V) bei 25 °C
- ±1,5 % Referenzspannung (0,6 V) bei -40 °C bis 125 °C
- 1 MHz Schaltfrequenz
- D-CAP3™ Steuermodus für schnelles Einschwingverhalten
- Unterstützt POSCAP und alle MLCC-Ausgangskondensatoren
- Einstellbarer Soft-Start und interner Soft-Start von 1 ms
- Der wählbare PSM- und Out-of-Audio™ (OOA)-Modus ist bei leichter Last verfügbar und ermöglicht Änderungen im laufenden Betrieb
- Unterstützung für den Betrieb mit schweren Lasten
- Power-Good-Anzeige zur Überwachung der Ausgangsspannung
- OV- und UV-Schutz mit verriegeltem Ausgang
- Nicht-verriegelbare UVLO- und OT-Schutzvorrichtungen
- Zyklus-für-Zyklus-Überstromschutz
- Integrierte Ausgangsentladungsfunktion
- Kleines 2,00 mm × 3,00 mm HotRod™-QFN-Gehäuse
- Pin-zu-Pin-kompatibel mit TPS51386 (24 V, 8 A)
Applikationen
- Notebooks und PC-Computer
- Ultrabooks, Tablet-Computer
- TV und STB, Punktlast (POL)
- Verteilte Stromversorgungssysteme
Funktionales Blockdiagramm
