Texas Instruments TPS51215A Einphasen-D-CAP2™-Abwärtsregler
Der Texas Instruments TPS51215A Einphasen-D-CAP2-™ Abwärtsregler verfügt über einen 2-Bit-VID-Eingang, der 0 V und drei weitere unabhängige, extern programmierbare Ausgangsspannungspegel unterstützt. Sie eignen sich hervorragend, wenn eine vollständige externe Programmierbarkeit des Spannungspegels, der Schritteinstellung und der Spannungsänderungs-Anstiegsrate erforderlich ist. Es wird für Intel IMVP8/9-Applikationen verwendet, bei denen mehrere Spannungspegel erforderlich sind.Der TPS51215A von Texas Instruments unterstützt alle POS/SPCAP- und/oder Vollkeramik-MLCC-Ausgangskondensator-Optionen in Applikationen, die eine Fernerkundung erfordern. Ein extern programmierbarer Integrator-Kondensator erreicht eine enge DC-Lastregelung. Der TPS51215A bietet eine vollständige Schutzsuite, einschließlich OVP, OCL, 5 V UVLO und thermische Abschaltung. Er unterstützt Umwandlungsspannungen bis 28 V und Ausgangsspannungen, die von 0,5 V bis 2 V einstellbar sind.
Der TPS51215A ist in einem 3 mm × 3 mm-, QFN-, 0,4 mm-Rastermaß-Gehäuse erhältlich und von -40°C bis 125 °C spezifiziert.
Merkmale
- Differential-Spannungsrückführung
- DC-Kompensation für eine genaue Regelung
- Großer Eingangsspannungsbereich: 3 V bis 28 V
- Flexible 2-Bit VID unterstützt Ausgangsspannung von 0,5 V bis 2,0 V und 0 V VOUT
- D-CAP2™-Modus bei 600 kHz für Ausgangskondensator mit extrem niedrigem/niedrigem ESR
- 4.700 ppm/°C, Low-side-RDS (on) -Strommessung
- Programmierbare Soft-Start-Zeit und Ausgangsspannungs-Übergangszeit
- Integrierte Ausgangsentladung
- Power-Good-Ausgang
- Integrierter Boost-Schalter
- Integrierter OVP/UVP/OCP
- Thermische Abschaltung (nicht-verriegelnd)
- 20-Pin-QFN-Gehäuse (RUK) von 3 mm x 3 mm
Applikationen
- Notebooks
- Desktop-Computer
- Industrie-PC
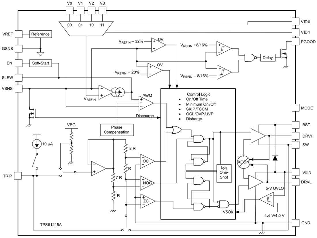
Funktionales Blockdiagramm
Veröffentlichungsdatum: 2020-08-12
| Aktualisiert: 2024-08-07
