Texas Instruments High-Side-Treiber TPS4800-Q1

Der High-Side-Treiber TPS4800-Q1 von Texas Instruments ist ein 100-V-Bauelement mit niedrigemIQ, das für Systemdesigns mit 12 V, 24 V und 48 V geeignet ist. Dieser Treiber mit Umpolungsschutz ist so konzipiert, dass er negativen Versorgungsspannungen bis zu -65 V standhält und die Lasten schützt. Der Treiber TPS4800-Q1 verfügt über einen starken (2 A) Gate-Treiber, der das Schalten von Leistung mit parallelen MOSFETs in Hochstrom-Systemdesigns ermöglicht. Dieser Treiber bietet eine konfigurierbare Kurzschluss-Sicherung über die ISCP- und TMR-Pins zur Einstellung des Schwellenwerts und der Anschwingzeit. Der Treiber TPS4800-Q1 ist AEC-Q100-qualifiziert für Fahrzeuganwendungen.

Der Treiber TPS4800-Q1 verfügt über eine integrierte 11-V-Ladungspumpe, eine High-Side- oder Low-Side-Stromsensor-Konfiguration (CS_SEL) und eine Fehleranzeige (FLT_GD) für die Gate-Treiber-Unterspannungssperre (UVLO). Der Treiber verfügt auch über eine Diagnose des internen Kurzschluss-Komparators durch externe Steuerung am Eingang SCP_TEST. Der Treiber TPS4800-Q1 wird in Automotive-BMS mit 48 V, DC-DC-Wandlern und Elektrowerkzeugen eingesetzt.

Merkmale

  • AEC-Q100-qualifiziert für Fahrzeuganwendungen
    • Bauteiltemperatur Klasse 1: Betriebstemperaturbereich -40°C bis 125 °C
  • Umpolungsschutz bis zu -65 V
  • Integrierte 11-V-Ladepumpe
  • Niedriger Ruhestrom, 43 µA im Betrieb
  • Niedriger Abschaltstrom von 1,5 µA (EN/UVLO = niedrig)
  • Starker Gate-Treiber (2-A-Quellen- und Senkenstrom)
  • Eingangsspannungsbereich: 3,5 V bis 95 V (100 V absolutes Maximum)
  • Einstellbare Kurzschlussschutz-Sicherung (ISCP) mit externem Rsense- oderMOSFET-VDS-Sensor mit einstellbarer Verzögerung (TMR)
  • High-Side- oder Low-Side-Strommesskonfiguration (CS_SEL)
  • Einstellbare Eingangsunterspannungssperre (UVLO) und Überspannungsschutz (OV)
  • Fehleranzeige (FLT) bei Kurzschlussfehler, Eingangsunterspannung und Kurzschluss-Komparatordiagnose (SCP_TEST)
  • Fehleranzeige (FLT_GD) für Gate-Treiber-UVLO

Applikationen

  • Automotive-BMS mit 48 V
  • DC-DC-Wandler,
  • Elektrowerkzeuge

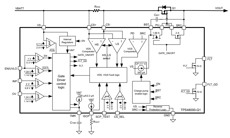
Funktionales Blockdiagramm

Blockdiagramm - Texas Instruments  High-Side-Treiber TPS4800-Q1

Applikations-Schaltung mit externer Versorgung zu BST

Applikations-Schaltungsdiagramm - Texas Instruments  High-Side-Treiber TPS4800-Q1
Veröffentlichungsdatum: 2025-01-16 | Aktualisiert: 2025-04-17