Texas Instruments TPS38800-Q1/TPS388R0-Q1 Spannungswächter
Die Spannungswächter TPS38800-Q1/TPS388R0-Q1 für Fahrzeuganwendungen von Texas Instruments sind ein ASIL-B-konformes Bauteil für einen 2- bis 8-Kanal-Fensterüberwachungs-IC, der in einem 16-poligen QFN-Gehäuse von 3 mm x 3 mm erhältlich ist. Dieser hochpräzise Mehrkanal-Spannungswächter ist für Systeme ausgelegt, die auf Niederspannungs-Versorgungsschienen betrieben werden und über begrenzte Versorgungstoleranzen verfügen.Die I2C-Funktionalität bietet Flexibilität bei der Auswahl von Schwellwerten, Reset-Verzögerungen, Störfiltern und Pin-Funktionalität. Die interne Störungsimmunität und die Rauschfilter machen externe RC-Komponenten überflüssig, um falsche Resets aufgrund von Leistungstransienten zu reduzieren. Der TPS38800-Q1/TPS388R0-Q1 benötigt keine externen Widerstände, um Überspannungs- und Unterspannungs-Reset-Schwellenwerte einzustellen, wodurch die Gesamtgenauigkeit, Kosten und Größe weiter optimiert und die Zuverlässigkeit für Sicherheitssysteme verbessert werden.
Merkmale
- Produkt mit ASIL-B-konformer Funktionaler Sicherheit
- Entwicklungsziel für funktionale Sicherheitsapplikationen
- Dokumentation zur Unterstützung des Systemdesigns gemäß ISO 26262
- Systematische Fähigkeit bis zu ASIL D
- Hardware-Fähigkeit bis zu ASIL B
- AEC-Q100-qualifiziert mit Bauteiltemperaturbereich Klasse 1 von -40 °C bis 125 °C
- Überwachen hochmoderne SOCs
- ±6 mV Schwellwertgenauigkeit (-40 °C bis 125 °C)
- 2,5 V bis 5,5 V Eingangsspannungsbereich
- 2,48 V Unterspannungsabschaltung (UVLO)
- 200 µA Leerlaufmodus maximal niedriger Ruhestrom
- Konfiguration mit 2 bis 8 Kanälen verfügbar
- Feste Fenster-Schwellenwerte
- 5-mV-Schritte von 0,2 V bis 1,475 V
- 20 mV Schritte von 0,8 V bis 5,5 V
- Miniaturgehäuse und minimale Komponentenkosten
- 3 mm x 3 mm QFN-Gehäuse
- Vom Benutzer über I2C einstellbare Störfestigkeit
- Vom Benutzer einstellbare Spannungsschwellwerte über I2C
- Für Sicherheitsapplikationen ausgelegt
- Aktiver LOW-Open-Drain NRST-NIRQ-Ausgang (verriegelt)
- Aktiver LOW-Open-Drain NRST-Ausgang (Reset-Verzögerung)
- Zyklische Redundanzprüfung (CRC)
- Paketfehlerprüfung (PEC)
Applikationen
- Fortschrittliches Fahrerassistenzsystem (ADAS)
- Sensorfusion
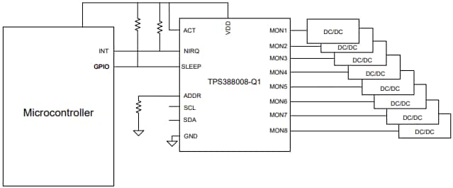
Typische Schaltung
Blockdiagramm
Weitere Ressourcen
Veröffentlichungsdatum: 2025-01-22
| Aktualisiert: 2025-05-06
