Texas Instruments TPS2662 Industrielle eFuses (elektronische Sicherungen)
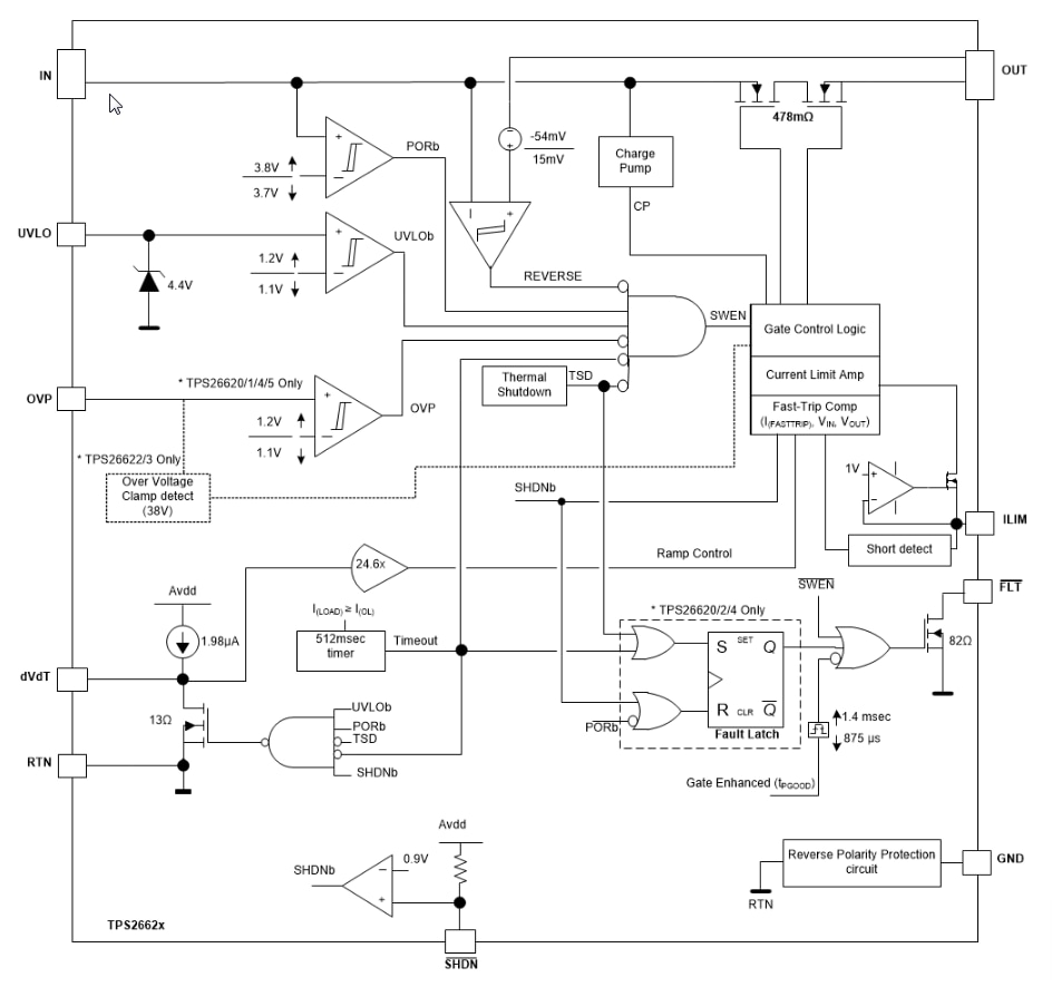
Texas Instruments TPS2662 industrielle 800mA-eFuses (elektronische Sicherungen) mit 60 V bieten einen integrierten Verpolungsschutz mit einer vollen Bandbreite von Schutzfunktionen. Das Bauteil zeichnet sich durch einen großen Versorgungseingangsbereich von 4,5 V bis 57 V aus und ermöglicht die Steuerung zahlreicher DC-Bus-Spannungen. Die positiven und negativen Versorgungsspannungen können geschützt werden und können auf dem TPS2662 bis zu ± 60 V widerstehen. Die integrierten FETs in Kreuzschaltung bieten eine Rückstromsperrfunktion, so dass sich das Bauteil für Systeme eignet, die eine Funktion zur Aufrechterhaltung der Ausgangsspannung bei Stromausfall und Spannungsabfall erfordern. Verschiedene Schutzmodi, einschließlich Last-, Quellen- und Bauteilschutzmodus verfügen über mehrere einstellbaren Funktionen. Zu diesen Funktionen gehören Überstrom-, Ausgangsanstiegsrate sowie Überspannungs- und Unterspannungsschwellenwerte. Die TPS2662 eFuses sind für den Betrieb über einen Temperaturbereich von -40 °C bis 125 °C ausgelegt.Merkmale
- Betriebsspannung von 4,5 V bis 57 V, 60 V absolutes Maximum)
- Integrierter Eingangsverpolungsschutz bis -60 V
- Integrierter Ausgangsverpolungsschutz bis 60 VIN (nur TPS26624 und TPS26625)
- Integrierte MOSFETs in Kreuzschaltung mit 478mΩ-Gesamt-RON
- Einstellbare Strombegrenzung von 25 mA bis 880 mA (Genauigkeit von ±5 % bei 880 mA)
- Schnelle Rückstromsperrfunktion (0,3 µs)
- Lastschutz bei Überspannung (IEC 61000-4-5) mit minimaler Anzahl externer Komponenten
- Immunität gegen schnelle elektrische Störgrößen gemäß IEC 61000-4-4
- Einstellbare UVLO, OVP-Abschaltung und Steuerung der Ausgangsanstiegsrate für Einschaltstrombegrenzung
- Feste 38V-Überspannungsklemme (nur TPS26622 und TPS26623)
- Niedriger Ruhestrom, 300 µA im Betrieb, 20 µA bei Abschaltung
- Geringe Größe - 10L-VSON (3 mm × 3 mm)
- Zulassung gemäß UL 2367 ausstehend
Applikationen
- PLC-I/O-Module
- AC- und Servo-Motorantriebe
- Sensoren und Steuerungen
- Thermostat
- PoE-Highside-Schutz
Blockdiagramm
Veröffentlichungsdatum: 2018-08-24
| Aktualisiert: 2024-07-09
