Texas Instruments TPS2586x-Q1 USB-Typ-A-Ladeanschluss-Controller
Texas Instruments TPS2586x-Q1 USB-Typ-A-Dual-Ladeanschluss-Controller sind eine integrierte USB-Ladeanschlusslösung. Der TPS2586x-Q1 von TI enthält einen synchronen DC/DC-Wandler, der bis zu 6,6 A liefern kann. Darüber hinaus verfügt der TPS2586x-Q1 über eine integrierte Erkennung und Steuerung für die Implementierung von USB-Batterielade-1.2- und Typ-A-Anschlüssen.Merkmale
- AEC-Q100-qualifiziert für Fahrzeuganwendungen:
- TA-Bereich: -40 °C bis +125 °C Temperaturklasse 1
- HBM-ESD-Klassifikation Stufe H2
- CDM-ESD-Klassifikation Stufe C5
- Synchroner Abwärtsregler
- Hoher Wirkungsgrad bei 400 kHz: 95,2 % bei VIN = 13,5 V, IPA_BUS = 2,4 A und IPB_BUS = 2,4 A
- Abwärtsregler-MOSFETs mit niedrigem RDS(ON) von 18 mΩ/10 mΩ
- 5,5 V bis 26 V, widerstehen einem Eingangsspannungsbereich von 36 V
- Einstellbare Frequenz von 200 kHz bis 800 kHz
- FPWM mit Frequenzspreizungs-Dithering
- Wählbare Ausgangsspannung von 5,1 V, 5,17 V, 5,3 V, 5,4 V
- Interner Leistungspfad:
- Interne USB-Leistungs-MOSFETs mit niedrigem RDS(ON) von 7 mΩ/7 mΩ
- ±10 % bei einer Strombegrenzung von 2,73 A für USB-Anschlüsse mit hoher Genauigkeit
- OUT: 5,1 V, 200 mA Versorgung für Hilfslasten
- Lastleitungs-Abfallkompensation: 90 mV bei 2,4 A
- Konform mit USB-IF-Standards
- Automatische DCP-Modi:
- Kurzschlussmodus gemäß BC1.2 und YD/T 1591 2009
- Modus mit 1,2 V
- Teiler-3-Modus mit 2,7 V
- Automatische DCP-Modi:
- Lastabwurf im Vergleich zu programmierbarer TA
- Bauteil-TJ-Bereich: -40 °C bis +150 °C
Applikationen
- Automotive-USB-Ladeanschlüsse
- Automotive-USB-Medien-Hubs
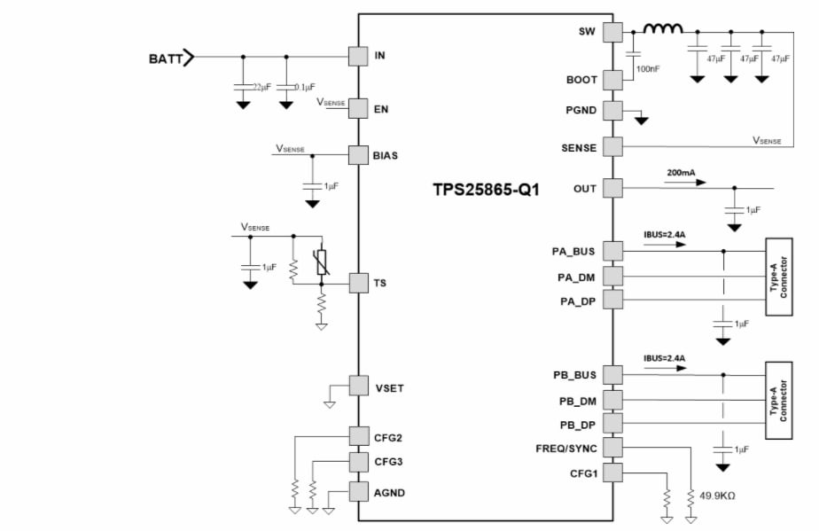
Vereinfachter Schaltplan
Typische Applikations-Schaltung
Veröffentlichungsdatum: 2020-12-30
| Aktualisiert: 2025-03-10
