Texas Instruments TPS25831Q1EVM-062 Evaluierungsmodul
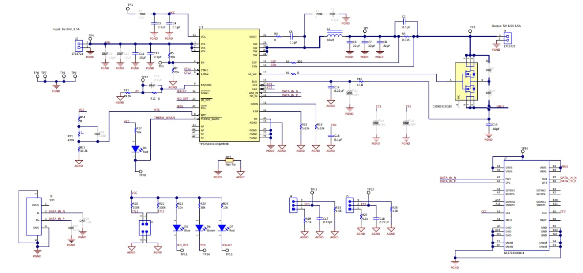
Das Texas Instruments TPS25831Q1EVM-062 Evaluierungsmodul ist für einen synchronen USB-Typ-C- und BC1.2-Abwärtswandler mit 5 V, einem Ausgang von 3,5 V, einem Eingang von 36 V und einer Kabelkompensation ausgelegt. Das TPS25831Q1EVM-062 Evaluierungsmodul bietet einen Leistungsverteiler, einen USB-Typ-A- und USB-Typ-B-Steckverbinder für das Laden von Bauteilen und die Datenkommunikation. Das Evaluierungsmodul passt die Kabelkompensation, die Strombegrenzung, die DC/DC-Frequenz und den thermischen NTC-Schutz über einen Widerstand an.Merkmale
- Strommodusregelungs-DC/DC-Wandler mit einem Eingabebereich von 6 V bis 36 V (40 V absolutes Maximum)
- ±8 % Strommessgenauigkeit (IOUT > 1,5 A) für eine genaue Kabelabfallkompensation
- Konform mit USB-Batterieladespezifikation Rev. 1.2 und Typ-C Rev. 1.3
- Kurzschluss-zu-VBAT- und VBUS-Schutz auf CC1, CC2, D+ und D-
- Benutzerprogrammierbare VBUS-Strombegrenzung und interne VCONN-Strombegrenzung
- Benutzerprogrammierbare externe NTC-Komponente für das System-Wärmemanagement
Applikationen
- Automotive:
- Infotainment
- USB-Hubs
- USB-Ladegeräte für den Sekundärmarkt
Schaltplan
Veröffentlichungsdatum: 2019-04-24
| Aktualisiert: 2023-08-23
