Texas Instruments TPS23758 PoE-Power-Devices
Die TPS23758 PoE-Power-Devices von Texas Instruments kombinieren eine Power-over-Ethernet(PoE)-Powered-Device(PD)-Schnittstelle, einen 150-V-Schaltleistungs-FET und einen Strommodus-DC/DC-Controller, der für die Flyback-Topologie optimiert ist. Der TPS23758 verfügt über ein hohes Maß an Integration zusammen mit einer Primärseitenregelung (PSR), einem Frequenzspreizungs-Dithering (SSFD) und einer erweiterten Einschaltfunktion. Dadurch wird das TPS23758 zur idealen Lösung für Applikationen, die in ihrer Größe beschränkt sind. Die PoE-Implementierung unterstützt den IEEE 802.3at-Standard als 13-W-PD des Typs 1.Die PSR-Funktion des DC/DC-Controllers verwendet eine Rückkopplung von einer Hilfswicklung für die Steuerung der Ausgangsspannung, wodurch die Notwendigkeit für einen externen Shunt-Regler und einen Optokoppler entfällt. Normalerweise arbeitet der Wandler bei einer Schaltfrequenz von 250 kHz und ist für einen Betrieb im kontinuierlichen Leitungsmodus (Continuous Conduction Mode, CCM) mit einer sekundärseitigen Synchrongleichrichtung ausgelegt. Dies ermöglicht einen optimalen Gesamtwirkungsgrad, eine Regelungsgenauigkeit und ein Schrittlastverhalten über mehrere Ausgänge.
Der Bauteil bietet eine SFFD- und Anstiegsraten-Steuerung, wodurch die Größe und Kosten für EMI-Filter reduziert werden. Die erweiterte Einschaltfunktion ermöglicht die Verwendung eines Kondensators mit niedrigstem Bias-Strom und vereinfacht gleichzeitig das Einschalt- und Hiccup-Design für den Wandler. Die Priorität für einen primärseitigen Leistungsadapter wird für den primären Hilfsleistungs-Erkennungs(APD)-Pin bereitgestellt. Die TPS23758 Bauteile unterstützen eine Abwärtstopologie für nicht-isolierte Applikationen.
Merkmale
- Vollständige IEEE 802.3at PD-Lösung für PoE des Typs 1
- Gemäß Ethernet Alliance (EA)-Logo zertifizierte Designs erhältlich
- Stabiler 100 V, 0,36 Ω (typisch) Hot-Swap-MOSFET
- Integrierter PWM-Controller von 0,77 Ω (typisch) mit 150-V-Leistungs-MOSFET
- Flyback-Controller mit PSR
- Unterstützt einen CCM-Betrieb mit sekundärseitigen synchronen FET-Mehrfachausgängen
- ±1 % (5-V-Ausgang, typisch) Lastregelung (0 bis 100 % Lastbereich) mit Sync-FET
- Unterstützt Low-Side-Schalter-Abwärtstopologie
- Einstellbare Schaltfrequenz mit Synchronisierung
- Soft-Start-Steuerung mit erweiterten Einschaltfunktionen
- Programmierbare Anstiegsrate und Frequenz-Dithering für eine verbesserte Reduzierung von EMI
- Flyback-Controller mit PSR
- Primärer Adapterprioritätseingang
- Sperrschichttemperaturbereich: -40 °C bis 125 °C
- Kleines VSON-Gehäuse von 6 mm x 4 mm
Applikationen
- IEEE 802.3at-konforme Powered-Devices
- VoIP-Telefone
- Sicherheitskameras
- IP-Telefone
- Zugangspunkte
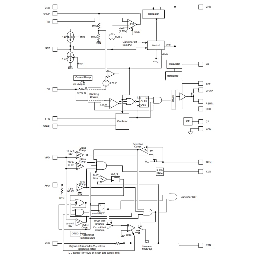
Funktionsdiagramm
