Texas Instruments TPS22975 Lastschalter

Die Lastschalter TPS22975 von Texas Instruments sind Einkanal-Lastschalter, die eine konfigurierbare Anlaufzeit zur Minimierung des Einschaltstroms bieten. Jedes Bauteil enthält einen N-Kanal-MOSFET, der mit einem Eingangsspannungsbereich von 0,6 V bis 5,7 V betrieben werden kann. Es unterstützt auch einen maximalen Gleichstrom von 6 A. Jeder Schalter wird von einem Ein-/Aus-Eingang gesteuert (ON), der direkt mit Niedrigspannungs-Steuerungssignalen gekoppelt werden kann. Der TPS22975 verfügt über einen optionalen 230 Ω On-Chip-Lastwiderstand für eine schnelle Ausgabeentladung, wenn der Schalter ausgeschaltet ist. Der TPS22975 ist in einem platzsparenden 2 mm × 2 mm kleinen 8-Pin-SON-Gehäuse mit integriertem thermischem Pad erhältlich, das eine höhere Verlustleistung zulässt.

Merkmale

  • Integrierter Einkanal-Lastschalter
  • Eingangsspannungsbereich: 0,6 V bis VBIAS
  • VBIAS-Spannungsbereich: 2,5 V bis 5,7 V
  • On-Widerstand (RON)
    • RON = 16 mΩ (typisch) bei VIN = 0,6 V bis 5,7 V, VBIAS = 5,7 V
  • 6 A maximaler Dauerschaltstrom
  • Niedriger Ruhestrom
    • 37 µA (typisch) bei VIN = VBIAS = 5 V
  • Niedrigsteuerungs-Eingangsschwellwert ermöglicht die Nutzung von 1,2V-, 1,8V-, 2,5V- und 3,3V-Logik
  • Konfigurierbare Anstiegszeit
  • Thermischer Shutdown
  • Schnelle Ausgangsentladung (QOD) (optional)
  • SON-8-Pin-Gehäuse mit thermischem Pad
  • ESD-leistungsgetestet nach JESD 22
    • 2.000 V HBM und 1.000 V CDM

Applikationen

  • Ultrabook™
  • Notebooks und Netbooks
  • Tablet-PC
  • Verbraucherelektronik
  • Set-Top-Boxen und Heim-Gateways
  • Telekom-Systeme
  • Solid-State-Laufwerke (SSDs)

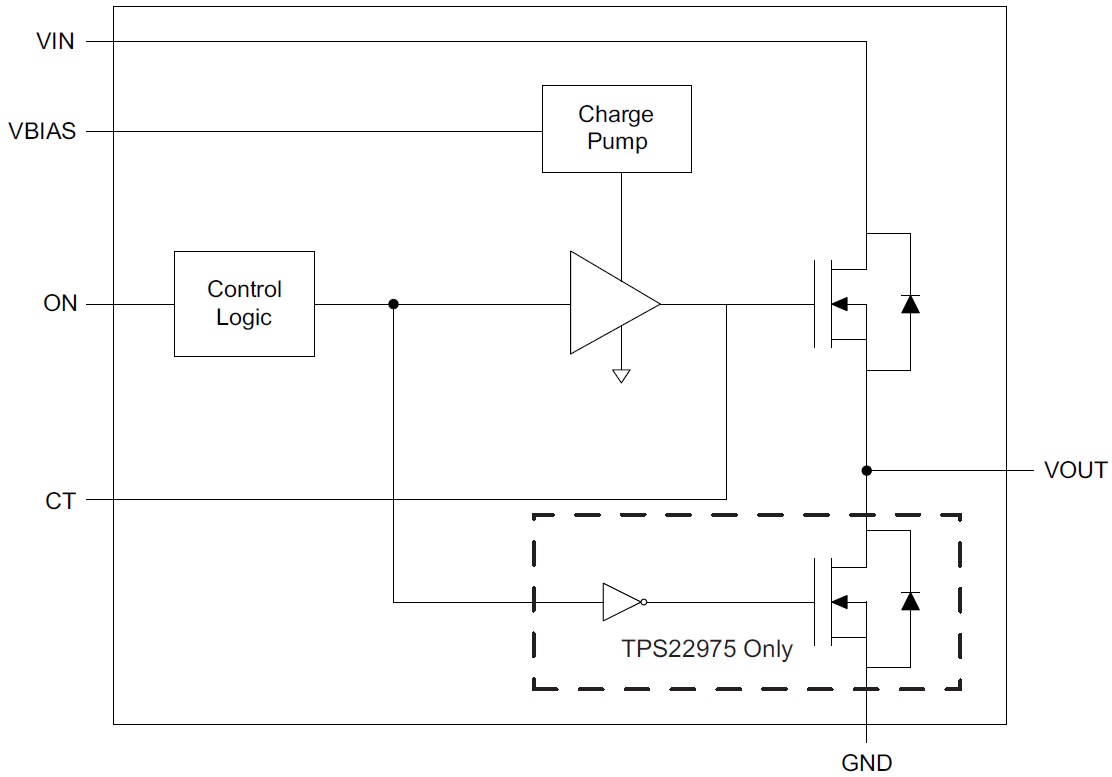
Funktionales Blockdiagramm

Blockdiagramm - Texas Instruments TPS22975 Lastschalter
Veröffentlichungsdatum: 2017-03-02 | Aktualisiert: 2022-04-05