Texas Instruments TPS1212-Q1 High-Side-Schaltercontroller für Fahrzeuge

Die High-Side-Schaltercontroller für Fahrzeugeanwendungen der Baureihe TPS1212-Q1 von Texas Instruments sind Teil einer Produktfamilie von intelligenten High-Side-Treibern mit niedrigem IQ sowie Schutz- und Diagnosefunktionen. Diese Controller haben einen großen Betriebsspannungsbereich von 3,5 V bis 73 V(maximal 74 V) und eignen sich für Fahrzeugsysteme von 12 V, 24 V und 48 V. Die TPS1212-Q1 Controller enthalten zwei eingebaute Gate-Laufwerke mit 0,5 A/2 A (Gate) und 100 μA/0,39 A (G). Diese Controller umfassen genaue Stromsensoren (±2 %) (IMON) mit einstellbarem I2t-basierten Überstromschutz und Kurzschluss-Sicherung. Die TPS1212-Q1 Bauteile sind gemäß AEC-Q100 für Fahrzeuganwendungen zugelassen. Typische Applikationen sind Stromverteilerkästen, Karosseriesteuergeräte, DC/DC- Wandler und Batteriemanagementsysteme.

Merkmale

  • AEC-Q100-qualifiziert für Temperaturklasse 1 für Fahrzeuge
  • Eingangsbereich von 3,5 V bis 73 V (max. 74 V)
  • Umgekehrter Eingangs- und Ausgangsschutz bis hinunter zu -65 V
  • Eingebaute 12-V-Ladungspumpe
  • Niedriger IQ = 20 µA im stromsparenden Modus (LPM = Low)
  • Geringe Abschaltspannung von 1 µA (EN/UVLO = Low)
  • Dual-GATE-Antrieb:
    • GATE: 0,5 A Source/2 A Ableitvorrichtung
    • G: 100 μA Source/0,39 A Ableitvorrichtung
  • Präziser I2t-Überstromschutz (IOC) mit einstellbarem Leistungsschalter-Timer (I2t)
  • Präzise und schnelle Kurzschluss-Sicherung (5 µs)
  • Schneller Übergang (5 µs) von stromsparenden Modus zum aktiven Modus mithilfe der einstellbaren Last-Weckschwelle oder des LPM-Triggers mit WAKE-Anzeige
  • ±2 % bei 30 mV VSNS genauer analoger bidirektionaler Strommonitorausgang (IMON, I_DIR)
  • NTC-basierte Übertemperaturerfassung (TMP) und Ausgang (ITMPO)
  • Defekt-Anzeige (FLT) während Kurzschluss-Defekt, I2t, UVLO der Ladepumpe und Übertemperatur
  • TPS12120-Q1 (I2t aktiviert) und TPS12121-Q1 (I2t deaktiviert)
  • Präziser (±2 %) und einstellbarer Unterschpannungsschutz (UVLO)

Applikationen

  • Stromverteilerkasten
  • Karosseriesteuerungsmodul
  • DC/DC-Wandler
  • Batteriemanagementsystem

Applikations-Schaltungsdiagramme

Applikations-Schaltungsdiagramm - Texas Instruments TPS1212-Q1 High-Side-Schaltercontroller für Fahrzeuge

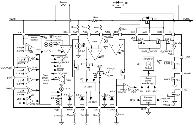
Funktionales Blockdiagramm

Blockdiagramm - Texas Instruments TPS1212-Q1 High-Side-Schaltercontroller für Fahrzeuge
Veröffentlichungsdatum: 2025-07-03 | Aktualisiert: 2025-07-28