Texas Instruments TPD4E001 ESD-Schutzarrays
Texas Instruments TPD4E001 ESD-Schutzarrays sind auf dem Transientenspannungs-Entstörelement (TVS) basierende Vierkanal-Diodenarrays für den elektrostatischen Entladungsschutz (ESD). Das TPD4E001 verfügt über eine Einstufung, um ESD-Entladungen über dem in der internationalen Norm IEC61000-4-2 (Stufe 4) angegebenen Höchstwert abzuleiten. Die TPD4E001 Arrays verfügen über eine IO-Kapazität von 1,5 pF pro Kanal und eignen sich daher ideal für den Einsatz in Hochgeschwindigkeitsdaten-IO-Schnittstellen. Der extrem niedrige Ableitstrom (< 1 nA Maximum) eignet sich für präzise analoge Messungen in Applikationen wie Glukosemessgeräten und Herzfrequenzmessgeräten.Die TPD4E001 ESD-Schutzarrays sind in den Gehäusen DRL (SOT), DBV (SOT23), DCK (SC-70), DRS (QFN) und DPK (PUSON) erhältlich und für einen Betrieb von -40 °C bis +85 °C spezifiziert.
Merkmale
- IEC 61000-4-2 ESD-Schutz (Stufe 4)
- ±8 kV Kontaktentladung
- ±15 kV Luftspaltentladung
- 5,5 A Spitzenimpulsstrom (8/20 µs Impuls)
- IO-Kapazität: 1,5 pF (typisch)
- Niedriger Ableitstrom: 1 nA (max.)
- Niedriger Versorgungsstrom: 1 nA
- 0,9 V bis 5,5 V Versorgungsspannungsbereich
- Platzsparende Gehäuseoptionen: DRL, DBV, DCK, DPK und DRS
- Alternative 2-, 3-, 6-Kanal-Optionen verfügbar: TPD2E001, TPD3E001, TPD6E001
Applikationen
- USB 2.0
- Ethernet
- FireWire™ Serieller Bus
- LVDS
- SVGA-Videoanschlüsse
- Blutzuckermessgeräte
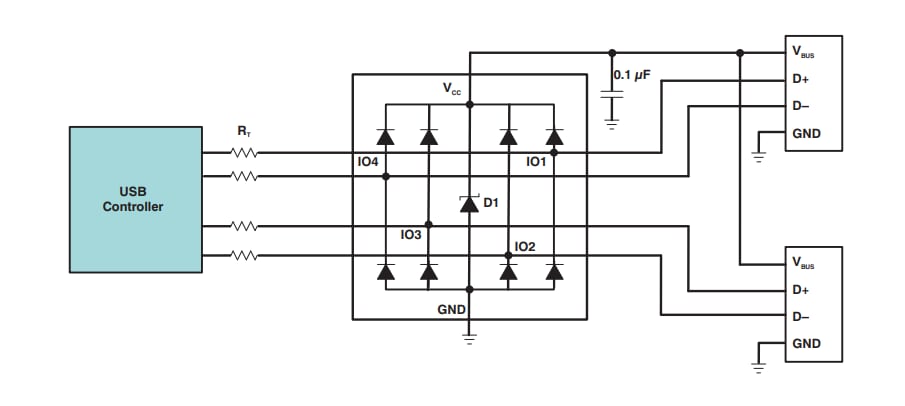
Applikations-Schaltplan
Veröffentlichungsdatum: 2019-10-15
| Aktualisiert: 2024-08-10
