Texas Instruments TPA3223 Mono-HD-Verstärker der Klasse D mit Analogeingang
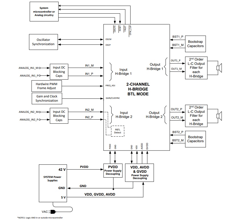
Der TPA3223 Mono-HD-Verstärker der Klasse D mit Analogeingang von Texas Instruments bietet einen effizienten Betrieb bei voller Leistung, Leerlauf und Standby. Der TPA3223 verfügt über eine geschlossene Regelkreis-Rückkopplung, die eine geringe Verzerrung über das Audioband ermöglicht und eine ausgezeichnete Tonqualität bietet. Der TPA3223 wird in der AD-Modulation betrieben und steuert bis zu 2 x 200 W in eine Last von 4 Ω oder 1 x 400 W in eine Last von 2 Ω an.Der TPA3223 Verstärker der Klasse D von TI liefert eine einendige oder differenzielle Analogeingangs-Schnittstelle, die bis zu 2 VRMS mit vier wählbaren Gains von 20 dB, 23,5 dB, 32 dB und 36 dB unterstützt. Der TPA3223 erreicht einen Wirkungsgrad von > 90 %, einen niedrigen Leerlauf und einen extrem niedrigen Standby-Strom (< 0,1 W). Diese Funktionen sind mit MOSFETs von 60 mΩ, einem optimierten Gate-Drive-Schema und stromsparenden Betriebsmodi möglich.
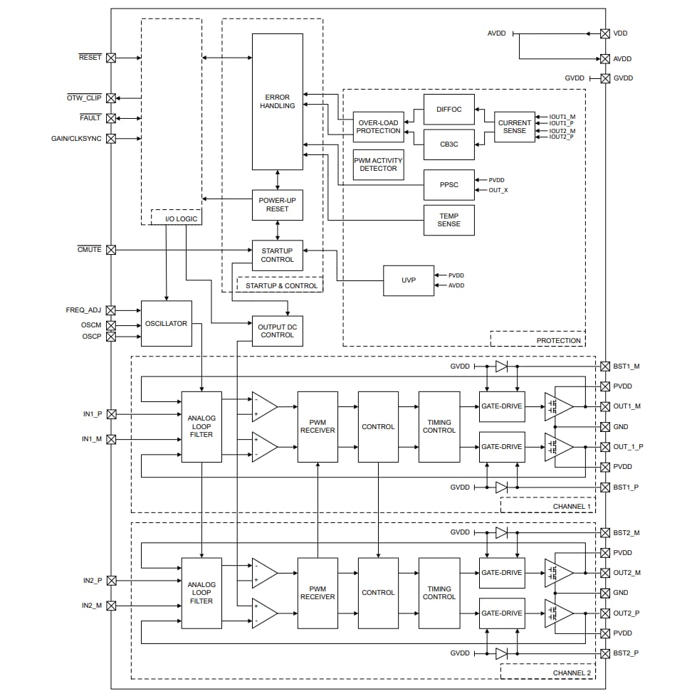
Der TPA3223 enthält grundlegende Schutzfunktionen, einschließlich Unterspannungsschutz, Überspannungsschutz, Zyklus-für-Zyklus-Strombegrenzung, Kurzschluss-Sicherung, Verschnitterkennungsschutz, Übertemperaturwarnung und -Abschaltung sowie DC-Lautsprecherschutz.
Merkmale
- Großer Versorgungsspannungsbereich: 10 V bis 42 V
- Konfigurationen: Stereo (2 x BTL) und Mono (1 x PBTL)
- Ausgangsleistung bei 10 % THD+N
- 200 W Stereo zu 4 Ω in BTL-Konfiguration
- 300 W Mono zu 3 Ω in PBTL-Konfiguration
- 425 W Mono zu 2 Ω in PBTL-Konfiguration
- Ausgangsleistung bei 1 % THD+N
- 170 W Stereo zu 4 Ω in BTL-Konfiguration
- 325 W Mono zu 2 Ω in PBTL-Konfiguration
- Rückkopplungsdesign mit geschlossenem Regelkreis
- < 0,02 % THD+N bei 1 W zu 4 Ω
- 60 dB PSRR (BTL, kein Eingangssignal)
- <100 µV Ausgangsrauschen (A-belastet)
- >110 dB SRV (A-belastet)
- Stromsparende Betriebsmodi
- Standby-Modi: Stumm- und Abschaltung
- Einkanal-BTL-Betrieb
- Mehrere Eingangsoptionen zur Vereinfachung des Vorverstärkerdesigns
- Differenzielle oder einendige analoge Eingänge
- Wählbare Gains: 20 dB, 23,5 dB, 32 dB und 36 dB
- Zu den integrierten Schutzfunktionen gehören Unterspannungsschutz, Überspannungsschutz, Zyklus-für-Zyklus-Strombegrenzung, Kurzschluss-Sicherung, Verschnitterkennungsschutz, Übertemperatur-Warnung und -Abschaltung sowie DC-Lautsprecherschutz.
- Einfache Synchronisierung mehrerer Bauteile
- Betrieb der Klasse D (4 Ω) mit einem Wirkungsgrad von 90 %
Applikationen
- BLUETOOTH®- und Wi-Fi™-Lautsprecher
- Soundbars
- Subwoofer
- Professionelle und Beschallungs-Lautsprecher (PA)
Vereinfachter Schaltplan
Blockdiagramm
Systemblockdiagramm
