Texas Instruments TPA3221 Verstärker der Klasse D mit 50W-Stereo-/100W-Spitze
Texas Instruments TPA3220 Verstärker der Klasse D mit 50W-Stereo/100W-Spitze und HD-Analog-Eingangs-Pad-Down bieten einen effizienten Betrieb mit verfügbaren Strom-, Leerlauf- und Standby-Modi. Ein geschlossener Regelkreis mit einer Bandbreite von bis zu 100 kHz liefert eine geringe Verzerrung im gesamten Audio-Frequenzbereich für eine ausgezeichnete Klangqualität. Das Bauteil arbeitet mit entweder AD-Modulation oder einer HEAD-Modulation (Hocheffiziente AD) mit geringem Blindstromanteil. Dies ermöglicht einen Antrieb von bis zu 2 x 60 W kontinuierlich oder 2 x 110 W in der Spitze in die 4Ω-Last mit dem Wärme-Pad an der Unterseite, das am PCB angeschlossen ist. Mehrere Eingänge sind verfügbar, die einendige oder differentielle Analog-Eingangsschittstellen mit auswählbaren Verstärkungen von 18 dB, 24 dB, 30 dB und 34 dB zur Vereinfachung der Vorverstärkungsdesigns verwenden. Mit 70Ω-MOSFETs, einem optimierten Gate-Drive-Schema und stromsparenden Betriebsmodi erzielt das TPA3220 einen Wirkungsgrad von 90 %, einen geringen Blindstrom (0,1 W) und einen ultraniedrigen Standby-Strom. Das Bauteil enthält unentbehrliche Schutzfunktionen, einschließlich Unterspannungsschutz, Zyklus-zu-Zyklus-Strombegrenzung, Kurzschlusssicherung, Clipping-Erkennung, Übertemperaturwarnung und -abschaltung sowie DC-Lautsprecherschutz zur weiteren Vereinfachung des Designs.Merkmale
- Stereo- (2 x BTL) und Mono- (1 x PBTL) Betrieb
- Ausgangsleistung bei 10 % THD+N
- 60 W Stereo (Dauerleistung) in 8 Ω in BTL
- 110 W Stereo (Spitze) in 4 Ω in BTL
- Ausgangsleistung bei 10 % THD+N
- Ausgangsleistung bei 1 % THD+N
- 50 W Stereo (Dauerleistung) in 8 Ω in BTL
- 89 W Stereo (Spitze) in 4 Ω in BTL
- 5V-Gate-Drive oder eingebauter LDO für optionalen Einzelversorgungsbetrieb
- Geschlossene Regelkreisauslegung
- Signalbandbreite bis zu 100 kHz für Hochfrequenzinhalte aus HD-Quellen
- 0,02 % THD+N bei 1 W zu 4 Ω
- 60 dB PSRR (BTL, kein Eingangssignal)
- <75 μV Ausgangsrauschen (A-belastet)
- >108 dB SNR (A-belastet)
- AD- oder HEAD-Modulationsverfahren
- Niedrigstrom-Betriebsmodi
- Standby-Modi: Stumm- und
- HEAD-Modulationsverfahren mit geringem Ruhestrom
- BLT-Einkanalbetrieb
- Mehrere Eingabeoptionen zur Vereinfachung der Vorverstärkungskonstruktion
- Einendige oder differentielle analoge Eingänge
- Wählbare Verstärkungen: 18 dB, 24 dB, 30 dB, 34 dB
- Integrierte Schutzfunktionen: Unterspannungs-, Zyklus-für-Zyklus-Strombegrenzungs-, Kurzschluss-, Verschnitterkennungs-, Übertemperatur und Abschalt-Schutz sowie DC-Lautsprecherschutz.
- Effizienter D-Klassen-Betrieb (4 Ω) von 90 %
- Wärme-Pad am Gehäuseboden
- Pin-kompatible Bauteilfamilie mit Optionen für Spannungs- und Strompegel
Applikationen
- Bluetooth- und WLAN-Lautsprecher
- Soundbars
- Subwoofer
- Bücherregal-Stereoanlagen
- Professionelle und Beschallungs-Lautsprecher (PA)
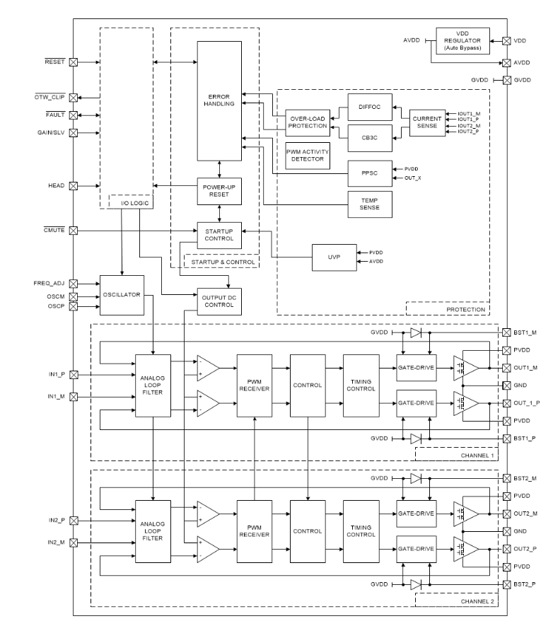
Blockdiagramm
Veröffentlichungsdatum: 2018-08-08
| Aktualisiert: 2023-02-06
