Texas Instruments TLV774 Low-Dropout-Linearregler (LDO)
Die linearen Low-Dropout-Regler (LDO) TLV774 von Texas Instruments sind als Spannungsquelle mit hoher PSRR konzipiert. Diese kleinen Regler bieten eine Last- und Leitungstransientenleistung, welche die Anforderungen verschiedener Schaltungen erfüllt. Die LDO-Linearregler TLV774 beziehen den Ausgangsstrom von 300 mA. Diese Regler werden mit einem 1μF Einzeleingangs-Kondensator und einem 1μF Keramik-Ausgangskondensator betrieben. Die LDO-Linearregler TLV774 verfügen über eine interne Soft-Start-Schaltung, um Einschaltstrom, eine Foldback-Strombegrenzung und einen aktiven Ausgangs-pulldown-Widerstand zu eliminieren. Diese Regler sind in einem 1 mm x 1 mm X2SON-Standardgehäuse (DQN) verfügbar. Die LDO-Linearregler TLV774 werden in Applikationen, wie z. B. Tablets, Spielkonsolen, Smartphones, Notebooks, Kameramodule und Set-Top-Boxen verwendet.Merkmale
- 60 dB (1 kHz) und 45 dB (1 MHz) hoher PSRR
- 2 % Ausgangsspannungsgenauigkeit
- Rückläufige Strombegrenzung
- Aktiver Ausgangs-pulldown-Widerstand
- 310 mV Maximale niedrigeDropout-Spannung bei 300 mA (1,2 VOUT) Übertemperatur
- 1,4 V bis 5,5 VVIN -Bereich
- 1 mm x 1 mm, 4-Pin-X2SON-Gehäuse (DQN)
Applikationen
- Smartphones
- Tablet-PCs
- Spielkonsolen
- Notebooks
- Set-Top-Boxen
- Kameramodule
- Streaming-Mediaplayer
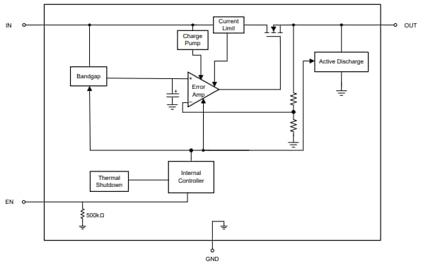
Funktionales Blockdiagramm
Applikationsschaltungsdiagramm
Veröffentlichungsdatum: 2025-01-20
| Aktualisiert: 2025-04-09
