Texas Instruments TLV61047 Nicht-synchroner Aufwärtswandler
Der Texas Instruments TLV61047 unsynchrone Aufwärtswandler ist ein Hochspannungswandler, der einen 200 mΩ Low-Side-Leistungsschalter für eine einfache Verwendung und eine Lösung in kleiner Baugröße enthält. Dieser Wandler verfügt über einen Eingangsspannungsbereich von 2,6 V bis 20 V, einen Ausgangsspannungsbereich von 4,5 V bis 28 V, einen integrierten low-side-FET 200 mΩ und eine Schaltfrequenz von 1,6 MHz. Der TLV61047 Aufwärtswandler nutzt eine adaptive konstante Off-Time-Spitzenstromsteuerungstopologie zum Regeln der Ausgangsspannung. Dieser Wandler unterstützt den Pulsweitenmodulationsmodus (PWM), bis er denminimalen oder minimalen Spitzenstrom (typisch 20 mA) bei schweren bis leichten Lastbedingungen auslöst. Das Bauteil unterstützt den Pulsfrequenzmodulationsmodus (PFM) zur Verbesserung des Wirkungsgrads und der Welligkeitsleistung bei extrem leichten Lastbedingungen. Zu den typischen Applikationen gehören LED-Netzteile, digitale Fotokameras, GPS-Geräte, Mobiltelefone, OLED-panel-Netzteile und USB-betriebene Geräte.Der TLV61047 Aufwärtswandler enthält einen typischen Ruhestrom von 25 µA und einen integrierten Soft-Start von 2,5 ms zur Reduzierung des Einschaltstroms während der Inbetriebnahme. Dieser Wandler enthält eine interne Kompensation, eine Zyklus-für-Zyklus-Strombegrenzung und einen Übertemperaturschutz. Der TLV61047 Aufwärtswandler ist in einem SOT-23-5-DDC-Gehäuse erhältlich.
Merkmale
- 2,6 V bis 20 V Eingangsspannungsbereich
- Ausgangsspannungsbereich: 4,5 V bis 28 V
- Integrierter Low-Side-FET: 200 mΩ
- Hoher Wirkungsgrad:
- Bis zu 91,2 % Wirkungsgrad bei VIN = 5 V bis VOUT = 12 V und IOUT = 0,2 A
- Bis zu 91,7 % Wirkungsgrad bei VIN = 12 V bis VOUT = 28 V und IOUT = 0,3 A
- Spitzenstrombegrenzung: 2,2 A
- 1,6 MHz Schaltfrequenz
- Referenzspannungsgenauigkeit: ±2.0 %
- Ruhestrom: 25 µA (typisch)
- Typischer 0,4 µA Abschaltstrom
- PFM-Betriebsmodus bei extrem geringer Last oder TON min ausgelöst
- Interne Kompensation
- Interne Soft-Start-Time: 2,5 ms
- Zyklus-für-Zyklus-Strombegrenzung
- Übertemperaturschutz
- SOT-23-5-DDC-Gehäuse
Applikationen
- LED-Stromversorgung
- Digitalkamera
- GPS-Geräte
- Mobiltelefon
- OLED-Panel-Netzteil
- USB-betriebene Geräte
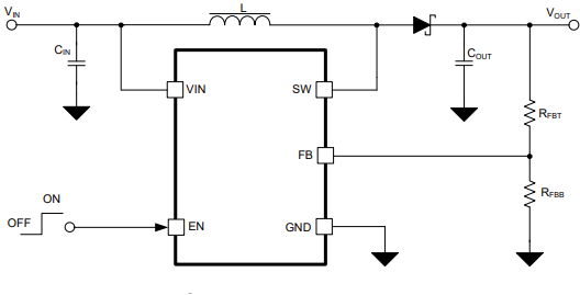
Typische Applikations-Schaltung
Funktionales Blockdiagramm
Veröffentlichungsdatum: 2025-01-23
| Aktualisiert: 2025-03-20
