Texas Instruments TLV3802EVM Evaluierungsmodul
Das Evaluierungsmodul TLV3802EVM von Texas Instruments wurde entwickelt, um den Hochgeschwindigkeits-Zweikanal-Komparator TLV3802 vorzuführen. Das TI TLV3802EVM verfügt über Layout-Optionen, mit denen sich die Timing-Leistung mit verschiedenen Messwerkzeugen einfach bewerten lässt. Der Ausgang des TLV3802 ist für Niederspannungs-Differenzsignale (LVDS) konzipiert, die Hochgeschwindigkeitssignale mit minimaler Verlustleistung an Verbindungsgeräte wie FPGAs liefern.Merkmale
- Niedrige Verzögerungszeit
- Geringe Übersteuerungsdispersion
- Hohe Toggelfrequenz
- Erkennungsfunktion mit schmaler Pulsbreite
- LVDS-Ausgang
- Niedrige Eingangs-Offsetspannung
- WF-DFN-12-Pin-DSS-Gehäuse
Applikationen
- Entfernungsmessung in LIDAR
- Hochgeschwindigkeits-Triggerfunktion im Oszilloskop und Logikanalysator
- Drohnen-Vision
- Time-of-Flight-Sensoren
- Hochgeschwindigkeits-Differentialleitungsempfänger
Layout
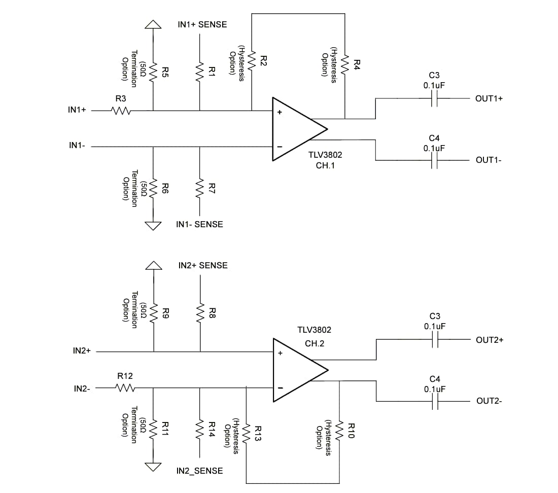
Blockdiagramm
Veröffentlichungsdatum: 2024-02-05
| Aktualisiert: 2024-02-08
