Texas Instruments Konstantstrom-Senkentreiber TLC696x1/TLC696x1-Q1
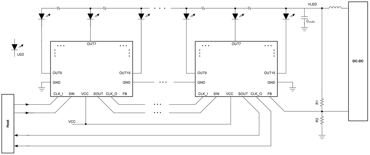
Die TLC696x1/TLC696x1-Q1 16-Kanal-Konstantstrom-Senkentreiber von Texas Instruments integrieren 16 Konstantstromsenken mit SRAM für die Helligkeitsspeicherung. Das Bauteil wird über eine serielle Zweidraht-Schnittstelle in Daisy-Chain-Topologie angeschlossen und unterstützt bis zu 1024 Bauteile für 16.000 lokale Dimmzonen.Das Bauteil verfügt über ein adaptives Spannungssteuerungsschema zur direkten Steuerung von DC/DC und zur Optimierung der Systemeffizienz. Nur der FB-Pin des letzten Bauteils in einer seriellen Kette sollte mit DC/DC verbunden werden, um ein vereinfachtes Systemlayout zu ermöglichen. Darüber hinaus enthält das Bauteil eine minimale Aktualisierungslatenz der Helligkeit, einen Schwarzeinsatz und VRR-Funktionen zur Verbesserung der Anzeigequalität.
Der TLC696x1/TLC696x1-Q1 von Texas Instruments hat drei Fehler-Flags: Offene LED-Erkennung (LOD), LED-Kurzschlusserkennung (LSD) und thermische Abschaltungserkennung (TSD) für die Diagnose. Das Bauteil implementiert zwei Readback-Optionen, einschließlich UART/INT und SOUT/CLK_O, die über ein Register programmierbar sind. Die TLC696x1-Q1-Bauteile sind für Fahrzeuganwendungen AEC-Q100-qualifiziert.
Merkmale
- Betriebsspannungs-VCC -Bereich: 3 V bis 5,5 V
- 16 Konstantstromsenken mit hoher Präzision
- Maximaler Ausgangsstrom/Spannung
- 30 mA/20 V: TLC69601/TLC69601-Q1
- 60 mA/20 V: TLC69611/TLC69611-Q1
- 30 mA/50 V: TLC69651/TLC69651-Q1
- 60 mA/50 V: TLC69661/TLC69661-Q1
- Bauteil-zu-Bauteil-Fehler: ±2 % (typisch)
- Kanal-zu-Kanal-Fehler: ±2 % (typisch)
- Maximaler Ausgangsstrom/Spannung
- Flexible Verdunkelungssteuerung
- Globale 8-bit-Maximalstromeinstellung (MC)
- Helligkeitsauflösung von bis zu 15 Bit
- PWM-/Hybrid-Steuermodus
- Hochgeschwindigkeits-Daisy-Chain-Schnittstelle
- I/O-Spannung kompatibel mit 1,8 V/3,3 V
- Datenübertragungsrate von bis zu 20 MHz
- Hoher Systemwirkungsgrad
- Adaptive Spannungsreserven-Steuerung (AHVC)
- Bauteil mit besonders geringem Stromverbrauch
- ICC ≤ 200 uA im Standby-Modus
- ICC ≤ 3,5 mA im Normal-Modus
- EMI-Verbesserung
- Programmierbare Schnittstellen-Antriebsfähigkeit
- Integrierte vier Phasenverschiebungssysteme
- Verbesserung der Anzeigequalität
- Minimale Latenzzeit für die Aktualisierung der Helligkeit
- Programmierbare Schwarzeinblendung
- Variable Bildwiederholrate (VRR) ohne Flimmern
- Diagnosefunktionen
- LED-Unterbrechungs-/Kurzschlusserkennung für jede Zone
- Erkennung der thermischen Abschaltung des Geräts
- Berichtsschnittstellenoption
- UART und Interrupt-Pin (INT)
- Zweidraht-Ausgang: CLK_O und SOUT
Applikationen
- Lokale LCD-Verdunkelungs-Hintergrundbeleuchtung
- Fernseher
- Bildschirm
- Notebook
- Tablet
Datenblätter
Vereinfachtes Schaltschema
