Texas Instruments THVD1406/THVD1426 RS-485-Halbduplex-Transceiver
Texas Instruments THVD1406/THVD1426 RS-485-Halbduplex-Transceiver sind für Industrieapplikationen ausgelegt. Die THVD14x6 Transceiver bieten eine automatische Richtungssteuerung mit dem Dateneingangs-Pin. Diese Funktion reduziert die Abhängigkeit von separaten Pins für den Treiber- und Empfänger-Freigabe-Funktionsumfang. Darüber hinaus wird die Anzahl der Isolationskanäle oder GPIO-Pins für die Logiksteuerung reduziert. Die Bus-Pins sind gegenüber einem hohen Grad an elektrostatischen Entladungsereignissen (ESD) gemäß IEC beständig, wodurch die Notwendigkeit zusätzlicher Schutzkomponenten auf Systemebene entfällt.Die THVD1406/THVD1426 RS-485-Halbduplex-Transceiver von TI werden von einer Einzelversorgung von 3 V bis 5,5 V betrieben. Aufgrund des großen Gleichtaktspannungsbereichs und des geringen Eingangsverlusts an den Bus-Pins eignen sich diese Bauteile für Mehrpunktapplikationen über lange Kabelstrecken.
Für die Drop-in-Kompatibilität sind die THVD14x6 Transceiver in einem Industriestandard-8-Pin-SOIC-Gehäuse oder einem kleinen, platzsparenden SOT-Gehäuse untergebracht. Die Bauteile sind für einen Betrieb in Umgebungstemperaturen von -40 °C bis +125 °C ausgelegt.
Merkmale
- Erfüllt oder übertrifft die Anforderungen des TIA/EIA-485A-Standards
- Versorgungsspannung: 3 V bis 5,5 V
- Automatische Richtungssteuerung mit dem Dateneingangs-Pin
- Halbduplex-RS-422/RS-485
- Datenraten
- 500kbps THVD1406
- 12Mbps THVD1426
- Bus-I/O-Schutz
- ±16 kV HBM-ESD
- Kontaktentladung: ±12 kV gemäß IEC 61000-4-2
- Luftspaltentladung: ±15 kV gemäß IEC 61000-4-2
- Schnelle transiente Störgrößen von ±4 kV gemäß IEC 61000-4-4
- Bus-Fehlerschutz: ±16 V
- Kleine, platzsparende 8-Pin-SOT-Gehäuseoption (2,1 mm x 1,2 mm)
- Erweiterter Industrietemperaturbereich: -40 °C bis +125 °C
- Große Empfänger-Hysterese für Rauschunterdrückung
- Geringer Stromverbrauch
- Niedriger Standby-Versorgungsstrom: 3 µA (typisch)
- Ruhestrom während des Betriebs: 1,7 mA (typisch)
- Störungsfreies Einschalten, Ausschalten für Hot-Plug-in-Fähigkeit
- Ausfallsicher für offene, Kurzschluss- und Leerlauf-Bus-Bedingungen
- 1/8 Einheitslast (bis zu 256 Busknoten)
Applikationen
- Fabrikautomatisierung und -steuerung
- Gebäudeautomatisierung
- HLK-Anlagen
- Videoüberwachung
- Smart Meter
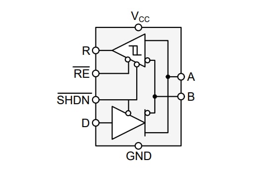
Vereinfachter Schaltplan
Veröffentlichungsdatum: 2022-04-05
| Aktualisiert: 2023-09-13
