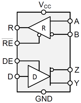
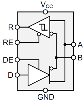
Texas Instruments THVD14xx RS-485-/RS-422-Transceiver
Texas Instruments THVD14xx RS-485-/RS-422 Transceiver sind Transceiver mit Störfestigkeit, die für den Betrieb in rauen Industrieumgebungen ausgelegt sind. Die Bus-Pins dieser Bauteile sind robust gegenüber einem hohen Grad an elektrischen schnellen Transienten (EFT) und elektrostatischen Entladungsereignissen (ESD) gemäß IEC, wodurch die Notwendigkeit zusätzlicher Schutzkomponenten auf Systemebene entfällt. Jedes dieser Bauteile wird von einer Einzelversorgung zwischen 3 V und 5,5 V betrieben. Diese Bauteile verfügen über einen erweiterten Gleichtaktspannungsbereich und eignen sich daher für Mehrpunktapplikationen über lange Kabelstrecken.Merkmale
- Erfüllt oder übertrifft die Anforderungen des TIA/EIA-485A-Standards
- 3 V bis 5,5 V Versorgungsspannung
- Bus-I/O-ESD-Schutz
- ±30 kV HBM
- ±18 kV IEC 61000-4-2 Kontaktentladung
- ±18 kV IEC 61000-4-2 Luftspaltentladung
- ±4 kV IEC 61000-4-4 schneller, transienter Ausbruch
- Erweiterter Betriebs-Gleichtaktbereich: ±15 V
- Niedrige EMI-Datenraten von 500 KBit/s und 50 MBit/s
- Große Empfänger-Hysterese für Rauschunterdrückung
- Geringer Stromverbrauch
- Niedriger Standby-Versorgungsstrom <1 µA
- Strom während des Betriebs: < 3 mA
- Erweiterter Umgebungstemperaturbereich: –40 °C bis 125 °C
- Störungsfreies Ein-/Ausschalten für Hot-Plug-in-Fähigkeit
- Offen, kurz und Leerlauf-Bus-Ausfallsicherung
- 1/8 Einheitslast (bis zu 256 Busknoten)
- Kleine VSSOP- und VSSOP-Gehäuse sparen Boardplatz oder SOIC für Drop-in-Kompatibilität
Applikationen
- Motorantriebe
- Fabrikautomatisierung und Steuerung
- Netzinfrastruktur
- Gebäudeautomation
- HLK-Systeme
- Videoüberwachung
- Prozessanalytik
- Drahtlose Infrastruktur
Veröffentlichungsdatum: 2018-06-04
| Aktualisiert: 2023-02-09
