Texas Instruments THS6301 Leitungstreiber-Verstärker
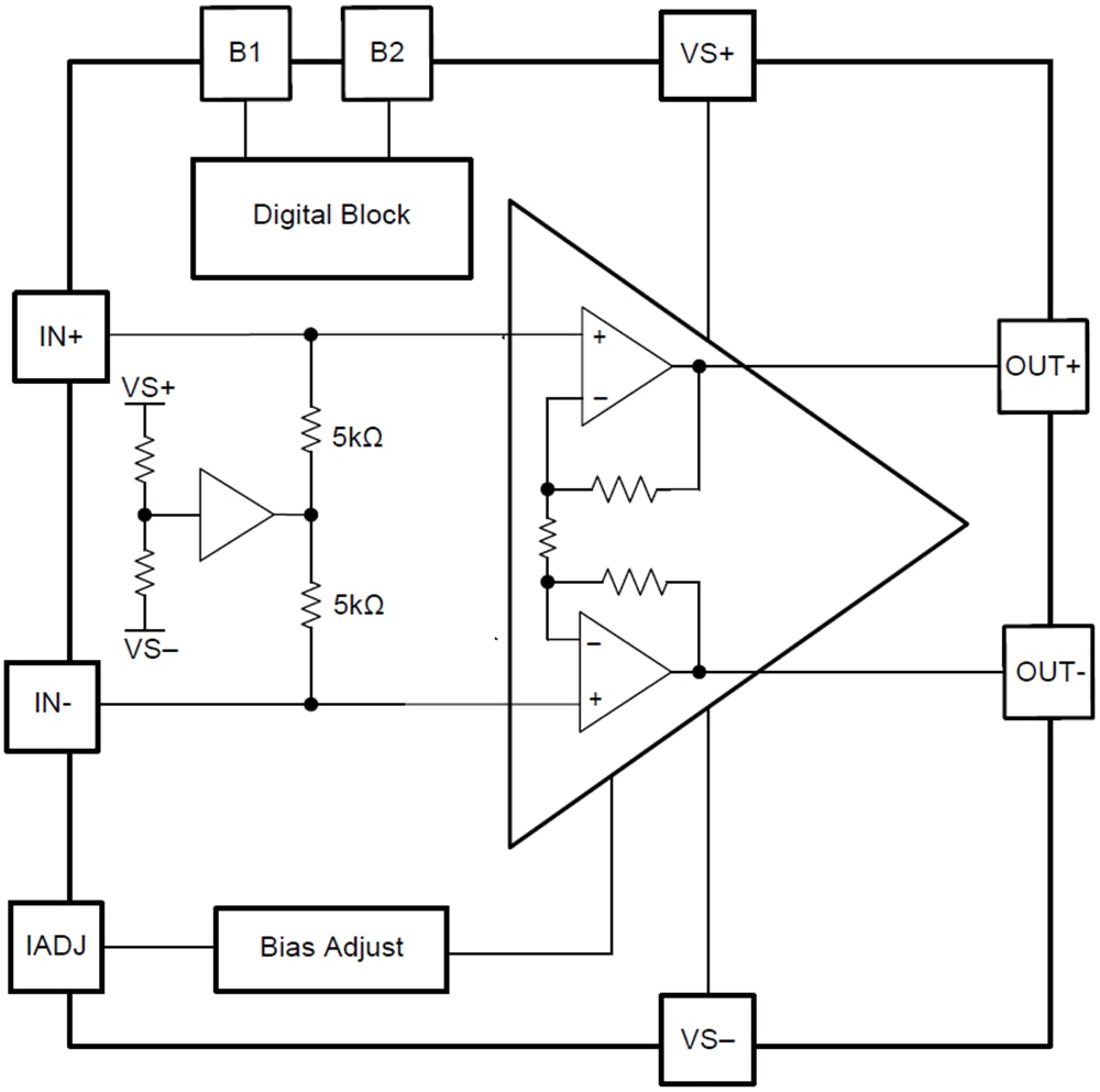
Der THS6301 Leitungstreiberverstärker von Texas Instruments ist ein Einkanal-Differential-Leitungstreiber mit Stromrückkopplungs-Architektur, der G.Fast und andere Home-Gateway-Systeme vom Typ Digital Subscriber Line (DSL) freigibt. Das Bauelement gibt Digital-Subscriber-Line-Profile des Typs G.Fast mit 106 MHz und 212 MHz frei, die systemeigene diskrete Multiton-Modulations-Signale (DMT) verwenden. Der THS6301 arbeitet mit hoher Linearität bei einer Leitungsleistung von 8 dBm über 212 MHz.Die einzigartige Architektur dieses Bauteils von TI minimiert den Ruhestrom bei sehr hoher Linearität. Intern feste Vorspannungs-Einstellungen der Verstärker bieten Energieeinsparung für Leitungstreiber-Modi, in denen die volle Leistungsfähigkeit des Verstärkers nicht erforderlich ist. Um noch mehr Flexibilität und Energie-Einsparungen zu erzielen, wird der Gesamtruhestrom durch einen einzigen externen Vorspannungswiderstand eingestellt, der mit einem der Bauteil-Pins verbunden ist. Das Bauelement verfügt außerdem über zwei Leitungs-Anschluss-Modi zur Aufrechterhaltung der Impedanzanpassung bei sehr niedrigem Stromverbrauch.
Merkmale
- Ermöglicht G.fast DSL-Applikationen von 106 MHz und 212 MHz
- Unterstützt ältere Applikationen mit VDSL und ADSL2+
- Hohe MTPR für G.Fast und ältere Applikationen (Leitungsleistung = 8 dBm)
- ADSL2+ = 69 dB
- VDSL-17a = 73 dB
- VDSL-30a = 69 dB
- G.fast 106 MHz = 62 dB
- G.fast 212 MHz = 55 dB
- Mehrere Leistungsmodi für verschiedene Profile
- Anpassbare Bias-Strom mit externem Widerstand
- Stromsparender Leitungsanschlussmodus: 10,2 mA
- Abschaltmodus
- 12-V-Technologie zur Unterstützung von Hochleistungs-Ausgang
Applikationen
- DSL-Leitungstreiber für G.Fast und Legacy
- Generische Breitband-Leitungstreiber
- PLC-Treiber
- DAC-Ausgangsverstärker
Funktionales Blockdiagramm
Veröffentlichungsdatum: 2018-10-02
| Aktualisiert: 2023-06-09
