Texas Instruments TDP1204 Pegelwandler-Hybrid-Redriver

Texas Instruments TDP1204 mit HDMI™ 2.1 DC/AC-gekoppelte Pegelwandler-Hybrid-Redriver liefern Datenraten von bis zu 12 GBit/s und sind rückwärtskompatibel mit HDMI 1.4b und HDMI 2.0b. Die vielseitigen Redriver bieten Hochgeschwindigkeits-Differentialeingänge und -ausgänge, die entweder AC- oder DC-gekoppelt sind, was den TDP1204 für die Verwendung als DP++ zum HDMI-Pegelwandler oder HDMI-Redriver qualifiziert. Der TDP1204 bietet 3- und 4-spurige HDMI 2.1 FRL bei 3, 6, 8, 10 und 12 GBit/s.

Die TDP1204 Pegelwandler-Hybrid-Redriver von TI unterstützen sowohl Quellen- als auch Senkenapplikationen und können entweder in einer linearen oder begrenzten Redriver-Funktion betrieben werden. Wenn sie als begrenzter Redriver konfiguriert sind, sind die Differential-Ausgangsspannungspegel unabhängig von den Ausgangspegeln der Grafikprozessoreinheit (GPU) und gewährleisten HDMI-konforme Pegel an der Anschlussbuchse. Durch die Integration des Pegelwandlers werden diskrete Lösungen überflüssig und damit Systemkosten gespart.

Der TDP1204 unterstützt einzelne Stromversorgungsschienen von 3,3 V auf VCC und wird für kommerzielle (TDP1204) und Industrietemperaturen (TDP1204I) angeboten.

Merkmale

  • AC- oder DC-gekoppelter Ein- und Ausgang mit Unterstützung für HDMI-2.0-Datenraten von bis zu 12 GBit/s
    • Rückwärtskompatibel mit HDMI 1.4b und HDMI 2.0b
    • HDMI 2.1 Fixed Rate Link (FRL) von 3, 6, 8, 10 und 12 GBit/s
    • Unterstützt HDMI 2.1 drei- und vierspuriger FRL
  • Optimiert für HDMI-Quellenapplikationen
  • Programmierbarer Empfänger-Equalizer von bis zu 12 dB bei 6 GHz
  • I2C- oder Pin-Strapping-programmierbar
  • Integrierter HPD-Level-Shifter, der sowohl 1,8 V als auch 3,3 V LVCMOS-Pegel unterstützt
  • Integrierter DDC-Buffer mit Unterstützung von bis zu 1,2-V-Pegeln
  • Vollständiger Spurwechsel auf Hauptleitungen
  • Digital Display Control (DDC) Snooping-Funktion für die Verbindungskonfiguration
  • Geringer Stromverbrauch:
    • 575 mW 12G-FRL, vier Leitungen aktiv begrenzt
    • 220 mW 12G-FRL, vier Leitungen aktiv linear
    • Abschaltstrom: 0,6 mW
  • Erhältlich für kommerzielle und Industrietemperaturen
  • Einzel-Stromversorgung: 3,3 V
  • 40-Pin-WQFN-Gehäuse von 4 mm × 6 mm mit einem Rastermaß von 0,4 mm

Applikationen

  • Notebooks und Desktops
  • Fernseher
  • Heimkino und Unterhaltung
  • Spielsysteme
  • Dockingstationen
  • Pro Audio, Video und Beschilderung

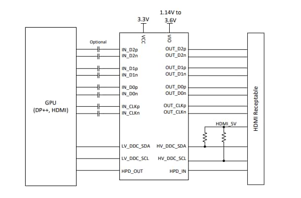
Vereinfachter Schaltplan

Schaltplan - Texas Instruments TDP1204 Pegelwandler-Hybrid-Redriver

Blockdiagramm

Blockdiagramm - Texas Instruments TDP1204 Pegelwandler-Hybrid-Redriver
Veröffentlichungsdatum: 2022-07-29 | Aktualisiert: 2023-04-03