Texas Instruments TAx5x42EVM-K Evaluierungsmodule (EVMs)
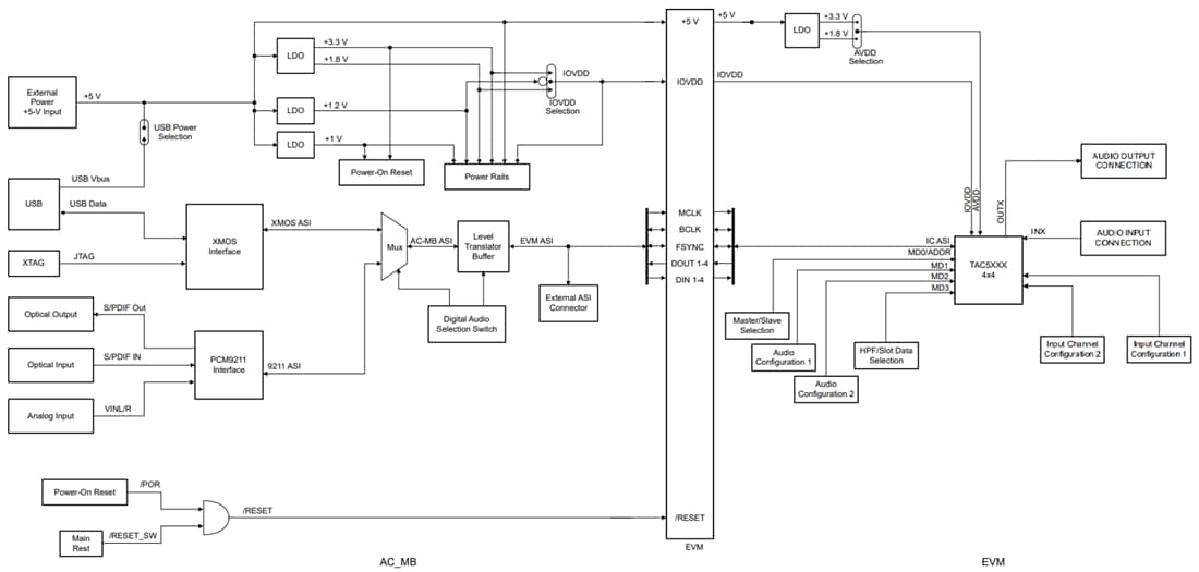
Mit den Evaluierungsmodulen (EVMs) TAx5x42EVM-K von Texas Instruments können Sie die Fähigkeiten verschiedener Audio-CODECs, ADCs und DACs von TI testen. Der TAC5242 ist ein hochleistungsfähiger Codec mit zwei Kanälen zur Hardwaresteuerung. Der TAC5142 ist ein Zweikanal-Hardware-Kontrollcodec. Der TAD5242 ist ein zweikanaliger, hardwaregesteuerter Hochleistungs-ADC. Der TAA5242 ist ein zweikanaliger, hardwaregesteuerter Hochleistungs-DAC, und der TAD5142 ist ein zweikanaliger, hardwaregesteuerter DAC. Die Evaluierungsmodule sind mit dem AC-MB gekoppelt, einer flexiblen Hauptplatine, die das Evaluierungsmodul mit Strom, Steuerdaten und digitalen Audiodaten versorgt. Die Konfiguration für die Texas Instruments-Bauteile TAC5242 TAC5142 TAA5242 TAD5242 oder TAD5142 erfolgt über die verschiedenen Multi-Funktions-Pins (MD0 – MD6).Merkmale
- Leistungsstarker Mono/Stereo CODEC mit einem Dynamikbereich von 120 dB DAC und 115 dB ADC
- Mono/Stereo-Codec mit Standardleistung und einem Dynamikbereich von 106 dB DAC und 102 dB ADC
- Integrierte Mikrofone für Sprachaufzeichnungstests
- Direkter Zugriff auf digitale Audiosignale und Steuerschnittstelle für eine einfache Integration in das Endsystem
- USB-Verbindung zum PC liefert Strom, Steuerung und Streaming von Audiodaten für eine einfache Auswertung
Lieferumfang Kit
- Bauteil TAC5242 TAC5142 TAA5242 TAD5242 oder TAD5142
- TAx5x42EVM tochterboard
- AC-MB Controller/Motherboard
Applikationen
- AV-Empfänger
- Videokonferenzsysteme
- IP-Netzwerk-Kamera
- Lautsprecher
Blockdiagramm
Board-Layout
Veröffentlichungsdatum: 2024-12-16
| Aktualisiert: 2025-02-27
