Texas Instruments TAS5630B 300 W Klasse-D-Stereoverstärker
Der 300 W-Stereo-Verstärker TAS5630B der Klasse D von Texas Instruments ist ein Hochleistungsbauteil mit analogem Eingang, das über PurePath HD-Technologie mit integriertem geschlossenem Regelkreis verfügt. Der Verstärker TI TAS5630B der Klasse D ist in der Lage, aus einer einzelnen 50 V-Versorgung bis zu 300 W Stereo an Lautsprecher mit 4 Ω bis 8 Ω Impedanz auszugeben. Die PurePath HD-Technologie bietet traditionelle AB-Endstufenleistung (Merkmale
- PurePath™ HD Enabled Integrated Feedback Provides:
- Signal Bandwidth up to 80kHz for High-Frequency Content From HD Sources
- Ultra-low 0.03% THD at 1W into 4Ω
- Flat THD at all Frequencies for Natural Sound
- 80dB PSRR (BTL, No Input Signal)
- > 100dB (A-weighted) SNR
- Click-and-Pop-Free Start-Up
- Multiple Configurations Possible on the Same PCB With Stuffing Options:
- Mono Parallel Bridge-Tied Load (PBTL)
- Stereo Bridge-Tied Load (BTL)
- 2.1 Single-Ended Stereo Pair and Bridge-Tied Load Subwoofer
- Quad Single-Ended Outputs
- Total Output Power at 10% THD+N
- 400W in Mono PBTL Configuration
- 300W per Channel in Stereo BTL Configuration
- 145W per Channel in Quad Single-Ended Configuration
- High-Efficiency Power Stage (>88%) With 60mΩ Output MOSFETs
Applikationen
- Mini Combo System
- AV Receivers
- DVD Receivers
- Active Speakers
Application Schematic
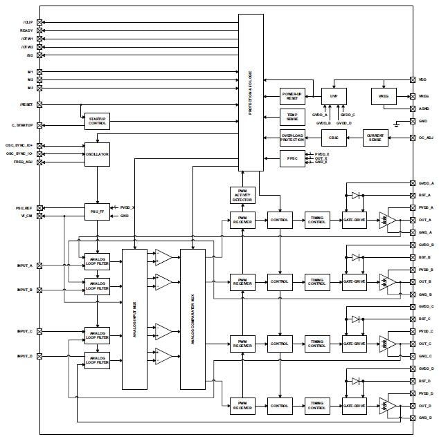
Functional Block Diagram
Veröffentlichungsdatum: 2012-03-19
| Aktualisiert: 2020-12-11
