Texas Instruments SN74LVC595A Schieberegister

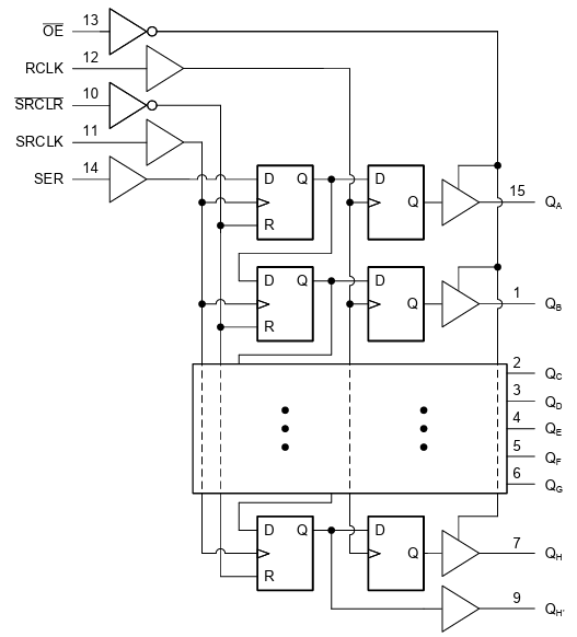
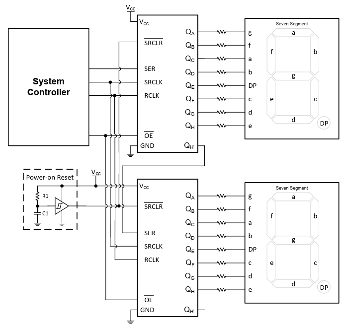
Das SN74LVC595A Schieberegister von Texas Instruments ist ein 8-Bit-Schieberegister mit seriellem Eingang/parallelem Ausgang, das ein 8-Bit-Speicherregister des Typs D versorgt. Dieses Speicherregister verfügt über parallele 3-stufige Ausgänge und unabhängige Taktgeber für Schiebe- und Speicherregister. Das SN74LVC595A Register arbeitet in einem Versorgungsspannungsbereich von 1,1 V bis 3,6 V und einem Sperrschichttemperaturbereich von -65 °C bis 150 °C. Dieses Schieberegister ist ideal für Netzwerkschalter, Leistungsinfrastrukturen, LED-Displays und Server.

Merkmale

  • 1,1 V bis 3,6 V Sperrschicht-Betriebsbereich
  • Überspannungstolerante Eingänge unterstützen bis zu 5,5 V unabhängig von VCC
  • Unterstützt teilweise Abschaltung mit Rückantriebsschutz (Ioff)
  • -65 °C bis 150 °C Sperrschichttemperaturbereich
  • Hohe Push-Pull-Ausgangsantriebsstärke:
    • ±24 mA at 3,3 V
    • ±8 mA at 2,3 V
    • ±4 mA at 1,65 V
  • Latch-Up-Leistung übertrifft 250 mA gemäß JESD78

Applikationen

  • Netzwerkschalter
  • Energieinfrastrukturen
  • LED-Displays
  • Server

Logik-Blockdiagramm

Blockdiagramm - Texas Instruments SN74LVC595A Schieberegister

Applikation Blockdiagramm

Applikations-Schaltungsdiagramm - Texas Instruments SN74LVC595A Schieberegister
Veröffentlichungsdatum: 2026-01-14 | Aktualisiert: 2026-01-29