Texas Instruments SN74LVC165A/SN74LVC165A-Q1 Schieberegister
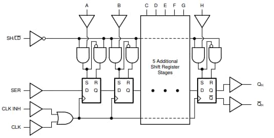
Die Schieberegister SN74LVC165A/SN74LVC165A-Q1 von Texas Instruments sind 8-Bit-Parallellastregister mit seriellem (SER) Eingang, der eine Verkettung ermöglicht, sowie einen Standard- und einen invertierten Ausgang. Die Daten werden asynchron über den Verschiebe- oder Lastauswahl-Pin auf das Bauteil geladen. Diese Schieberegister unterstützen eine teilweise Abschaltung mit Rückantriebsschutz und verfügen über eine maximale Laufzeitverzögerung von 20 ns bei 3,3 V. Die Register SN74LVC165A-Q1 sind gemäß AEC-Q100 für Fahrzeuganwendungen zugelassen. Diese Schieberegister werden verwendet, um die Anzahl der Eingänge auf einem Mikrocontroller und in der Read-in-Board-Revision zu erhöhen.Merkmale
- Unterstützt Teilabschaltung mit Rückantriebsschutz
- Hohe Push-Pull-Ausgangssteuerungsstärke:
- ±24 mA at 3,3 V
- ±8 mA at 2,3 V
- ±4 mA at 1,65 V
- 20 ns maximale Laufzeitverzögerung bei 3,3 V
- Überspannungstolerante Eingänge unterstützen bis zu 5,5 V
- Betriebsspannungsbereich: 1,1 V bis 3,6 V
- SN74LVC165A-Q1:
- AEC-Q100-qualifiziert für Fahrzeuganwendungen:
- Bauteiltemperatur Klasse 1: -40 °C bis 125 °C
- HBM-ESD-Bauteilklassifikation Stufe 2
- CDM-ESD-Bauteilklassifikation Stufe C4B
- AEC-Q100-qualifiziert für Fahrzeuganwendungen:
- Latch-Up-Leistung überschreitet 100 mA gemäß JESD78
Applikationen
- Höhere Anzahl der Eingänge auf einem Mikrocontroller
- Read-in-Board-Revision
Datenblätter
Blockdiagramm
Applikations-Schaltungs-Diagramm
Veröffentlichungsdatum: 2024-07-18
| Aktualisiert: 2025-05-05
