Texas Instruments SN74LV8T151-EP Datenwähler/Multiplexer
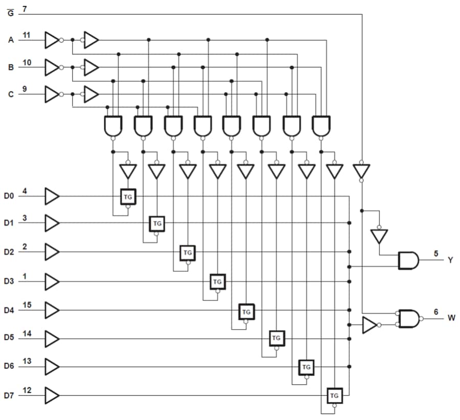
Der Texas Instruments SN74LV8T151-EP Datenwähler/Multiplexer bietet eine vollständige binäre Dekodierung zur Auswahl einer von acht Datenquellen. Der Strobe-Eingang (G) muss sich auf einem niedrigen Logikpegel befinden, um die Eingänge zu aktivieren. Ein High-Pegel am Strobe-Anschluss zwingt den Standardausgang (Y) auf Low und den invertierten Ausgang (W) auf High. SN74LV8T151-EP Bauteile von Texas Instruments verfügen über goldene Anschlussdrähte, einen Temperaturbereich von –55 bis +105°C und ein SnPb-Leitungsfinish.Merkmale
- Großer Betriebsbereich von 1,65 V bis 5,5 V
- Tolerante 5,5-V-Eingangsstifte
- Spannungsumsetzer für eine einzige Versorgungsquelle
- Aufwärts-Umsetzung
- 1,2 V bis 1,8 V
- 1,5 V bis 2,5 V
- 1,8V bis 3,3V
- 3,3 V bis 5,0 V
- Abwärtsumsetzung
- 5,0 V, 3,3 V, 2,5 V bis 1,8 V
- 5,0 V, 3,3 V bis 2,5 V
- 5.0 V bis 3,3 V
- Aufwärts-Umsetzung
- Bis zu 150 Mbit/s mit 5 V oder 3,3 VVCC
- Unterstützt Standard-Funktions-Pinbelegung
- Latch-up-Leistung übertrifft 250 mA gemäß JESD 17
- Unterstützt Anwendungen in den Bereichen Verteidigung sowie Luft- und Raumfahrt
- Gesteuerte Baseline
- Ein Montage- und Prüfstandort
- Eine Fertigungsstätte
- Längerer Produktlebenszyklus
- Produktrückverfolgbarkeit
Applikationen
- Aktiviert oder deaktiviert ein digitales Signal
- Steuert eine Anzeige-LED
- Umsetzung zwischen Kommunikationsmodulen und Systemsteuerungen
Logikschaltbild (Schaltung mit positiver Logik)
Veröffentlichungsdatum: 2025-04-07
| Aktualisiert: 2025-04-11
