Texas Instruments SN74LV4052A/SN74LV4052A-Q1 Dual-Analog-Mux- und Demux
Die Dual-Analog-Mux- und Demux SN74LV4052A/SN74LV4052A-Q1 von Texas Instruments sind 4-Kanal-CMOS-Analog-Multiplexer und -Demultiplexer, die für den Betrieb mit 1,65 V bis 5,5 VVCC ausgelegt sind. Die Bauteile SN74LV4052A/SN74LV4052A-Q1 verarbeiten sowohl digitale als auch analoge Signale. Signale mit Amplituden bis zu 5,5 V (Spitze) können in jedem Kanal in beide Richtungen übertragen werden. Die SN74LV4052A-Q1-Bauteile von Texas Instruments sind gemäß AEC-Q100 für Fahrzeuganwendungen zugelassen.Merkmale
- 1,65 V bis 5,5 V VCC -Betrieb
- Hohe Schaltgeschwindigkeit
- Hohes EIN-AUS-Ausgangsspannungsverhältnis
- Geringer Nebensignaleffekt zwischen den Schaltern
- Extrem niedriger Eingangsstrom
- Latch-Up-Leistung übertrifft 100 mA gemäß JESD 78, Klasse II
- ESD-Schutz überschreitet JESD 22
- 2.000 V Human-Body Model (A114-A)
- 1.000 V Charged-Device Model (C101)
Applikationen
- Telekommunikation
- Infotainment
- Signal-Gating und Isolierung
- Haushaltsgeräte
- Programmierbare Logik-Schaltungen
- Modulation und Demodulation
Datenblätter
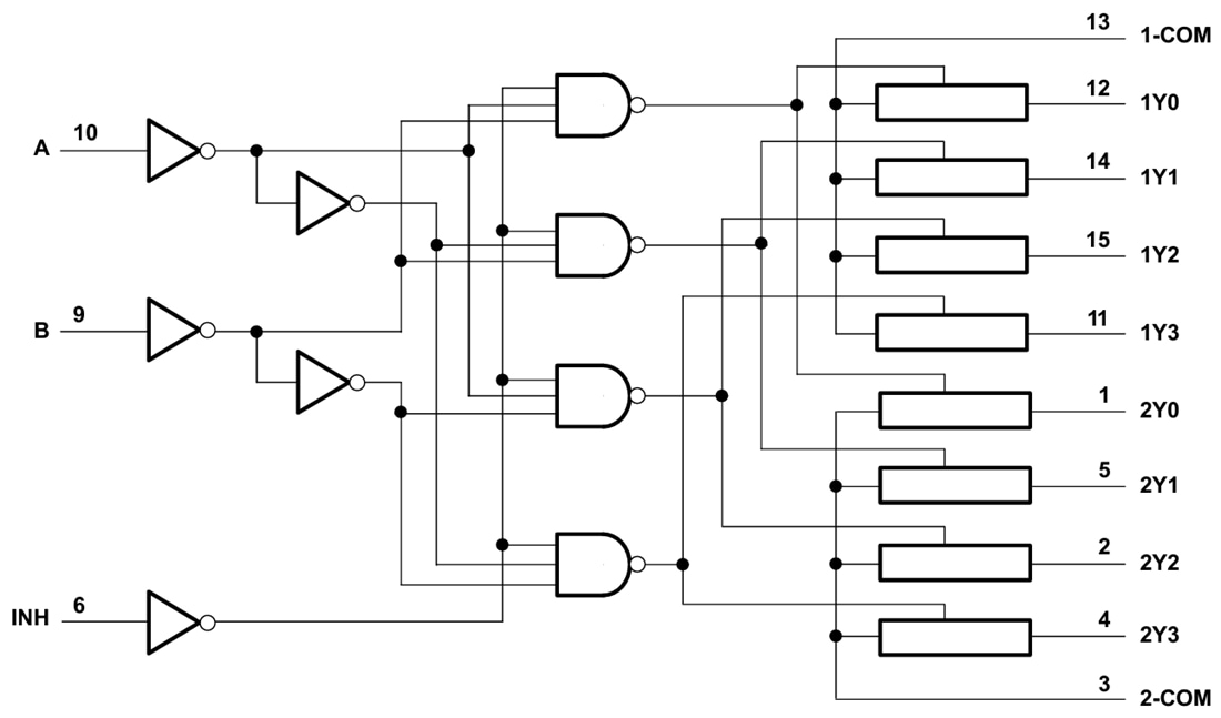
Logikschaltbild (Schaltung mit positiver Logik)
Veröffentlichungsdatum: 2024-11-05
| Aktualisiert: 2025-03-27
