Texas Instruments SN74LV373A D-Typ-Verriegelungen

Die D-Typ-Verriegelungen SN74LV373A von Texas Instruments sind oktal transparente Latches, die für den Betrieb im Spannungsbereich von 2VCC bis 5,5VCC ausgelegt sind. Diese 2-State-Ausgangsverriegelungen unterstützen den Mixed-Mode-Spannungsbetrieb an allen Ports. Die D-Typ-Verriegelungen SN74LV373A verfügen über eine maximaletpd von 8,5 ns bei 5 V. Diese Verriegelungen werden in Applikationen wie z. B. Drucker, Motorsteuerungen, Netzwerkschalter, Server-Motherboards und drahtlose Infrastrukturen verwendet.

Merkmale

  • VCC -Betrieb von 2 V bis 5,5 V
  • Unterstützt einen Mischmodus-Spannungsbetrieb an allen Anschlüssen
  • TypischeVOLP (Ausgangserdungsprellung):
    • < 0,8 V beiVCC = 3,3 V, TA = 25 °C
  • VOHV (Ausgangs-VOH -Unterschwingung):
    • > 2,3 V beiVCC =3,3 V, TA = 25 °C
  • Maximaletpd von 8,5 ns bei 5 V
  • Ioff unterstützt einen Betrieb im teilweisen Abschaltmodus
  • Latch-up-Leistung übertrifft 250 mA gemäß JESD 17

Applikationen

  • Drucker
  • Motorsteuerung
  • Netzwerkschalter
  • Server-Motherboards
  • Drahtlose Infrastrukturen

Funktionales Blockdiagramm

Blockdiagramm - Texas Instruments SN74LV373A D-Typ-Verriegelungen

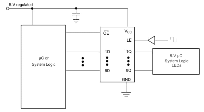
Typisches Applikations-Schaltplan-Diagramm

Schaltplan - Texas Instruments SN74LV373A D-Typ-Verriegelungen
Veröffentlichungsdatum: 2024-12-24 | Aktualisiert: 2025-01-03