Texas Instruments SN74HCT595/SN74HCT595-Q1 8-Bit-Schieberegister
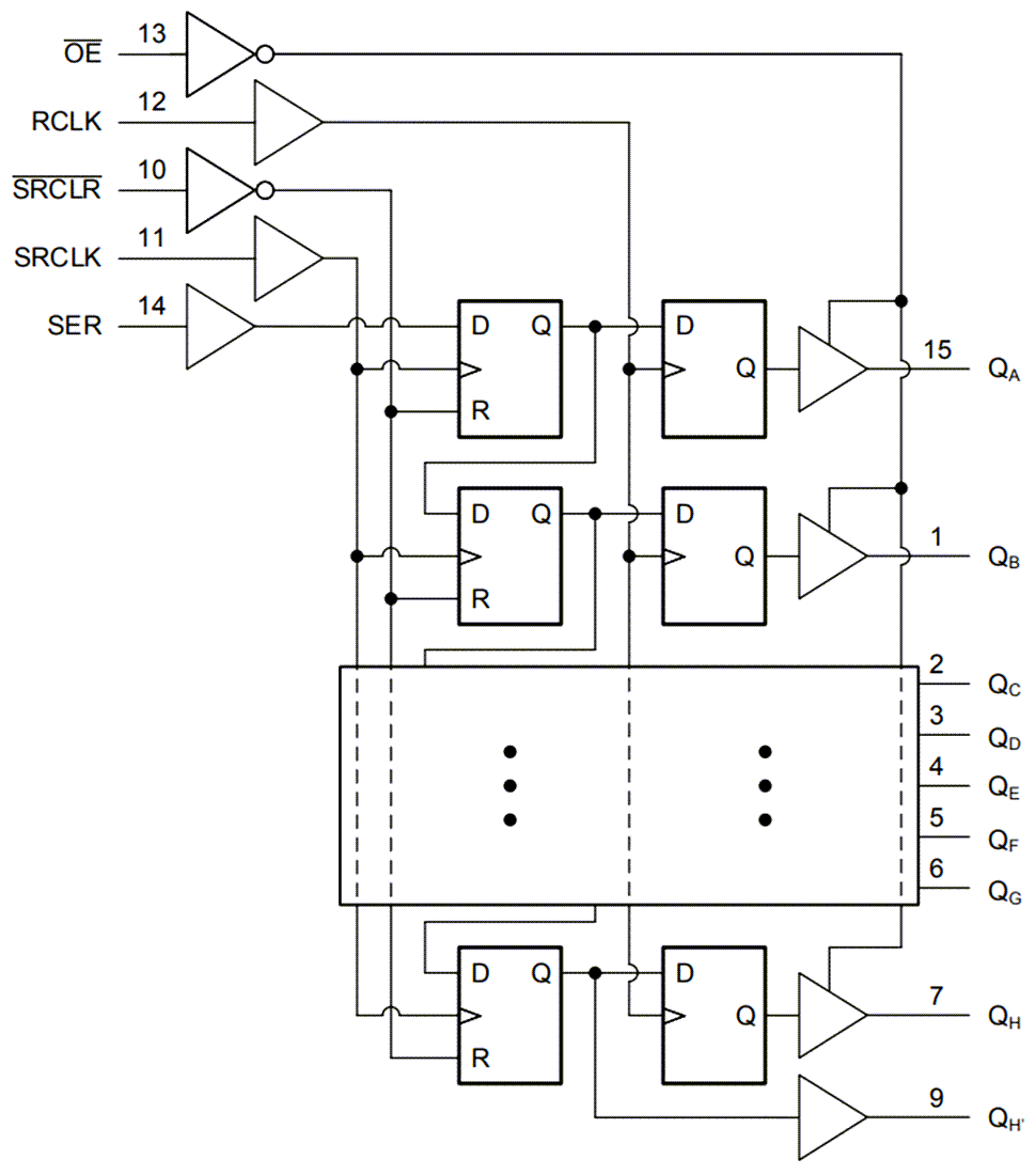
Das Texas Instruments SN74HCT595/SN74HCT595-Q1 8-Bit-Schieberegister enthält ein 8-Bit-Schieberegister mit seriellem Eingang/parallelgeschaltetem Ausgang, das ein 8-Bit-Speicherregister des Typs D versorgt. Das Speicherregister hat parallele 3-Stufen-Ausgänge. Separate Uhren sowohl für das Schiebe- wie auch das Speicherregister werden mitgeliefert. Das Schieberegister verfügt über einen direkten übergeordneten Löscheingang (SRCLR), einen seriellen (SER)-Eingang und serielle Ausgänge zur Kaskadierung. Wenn der Ausgangsfreigabe-Eingang (OE) hoch ist, befinden sich die Speicherregisterausgänge in einem hochohmigen Zustand. Interne Registerdaten und der serielle Ausgang (QH’) werden durch den Betrieb des OE-Eingangs nicht beeinflusst. Die SN74HCT595-Q1 Bauteile von Texas Instruments sind gemäß AEC-Q100 für Fahrzeuganwendungen zugelassen.Merkmale
- Mit der LSTTL-Eingangs-Logikschaltung kompatibel
- VIL(max) = 0,8 V, VIH(min) = 2 V
- Mit der CMOS-Eingangs-Logikschaltung kompatibel
- II ≤ 1 µA bei VOL, VOH
- Betrieb von 4,5 V bis 5,5 V
- Unterstützt Fanout von bis zu 10 LSTTL-Lasten
- Das Schieberegister verfügt über Direct Clear
- Erweiterter Umgebungstemperaturbereich, TA: -40 °C bis +125 °C
Applikationen
- Ausgangserweiterung
- LED-Matrix-Steuerung
- 7-Segment-Display-Steuerung
- 8-Bit-Datenspeicher
Datenblätter
Funktionales Blockdiagramm
Veröffentlichungsdatum: 2022-03-16
| Aktualisiert: 2022-04-04
