Texas Instruments SN74HCS594/SN74HCS594-Q1 8-Bit-Schieberegister
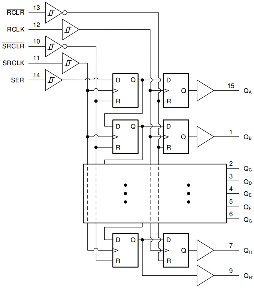
Das SN74HCS594/SN74HCS594-Q1 8-Bit-Schieberegister mit seriellem Eingang/parallelem Ausgang von Texas Instruments enthält ein parallelgeschaltetes 8-Bit-Schieberegister, das ein 8-Bit-Speicherregister des Typs D versorgt. Alle Eingänge sind mit Schmitt-Triggern ausgestattet, die eine fehlerhafte Datenausgabe aufgrund von langsamen oder verrauschten Eingangssignalen verhindern. Das Speicherregister hat parallele Ausgänge. Separate Taktgeber und direkte übergeordnete Übersteuerungseingänge (SRCLR, RCLR) sind sowohl für das Schiebe- wie auch das Speicherregister enthalten. Ein serieller Ausgang (QH’) ist für die Kaskadierung vorgesehen. Sowohl die Taktgeber des Schieberegisters (SRCLK) als auch des Speicherregisters (RCLK) des SN74HCS594/SN74HCS594-Q1 von Texas Instruments werden mit einer positiven Flanke ausgelöst. Wenn beide Takte miteinander verbunden sind, ist das Schieberegister einen Taktimpuls vor dem Speicherregister. Die SN74HCS594-Q1 Bauteile sind gemäß AEC-Q100 für Fahrzeuganwendungen zugelassen.Merkmale
- 2 V bis 6 V großer Betriebsspannungsbereich
- Schmitt-Trigger-Eingänge ermöglichen langsame oder verrauschte Eingangssignale
- Ausgangsantrieb bei 6 V: ±7,8 mA
- Niedriger Stromverbrauch
- Typischer ICC von 100 nA
- Typischer Eingangsableitstrom von ±100 nA
Applikationen
- Ausgangserweiterung
- LED-Matrix-Steuerung
- 7-Segment-Display-Steuerung
- 8-Bit-Datenspeicher
Datenblätter
Funktionales Blockdiagramm
Veröffentlichungsdatum: 2020-07-14
| Aktualisiert: 2024-07-02
