Texas Instruments SN74HCS151/SN74HCS151-Q1 8-zu-1-Multiplexer

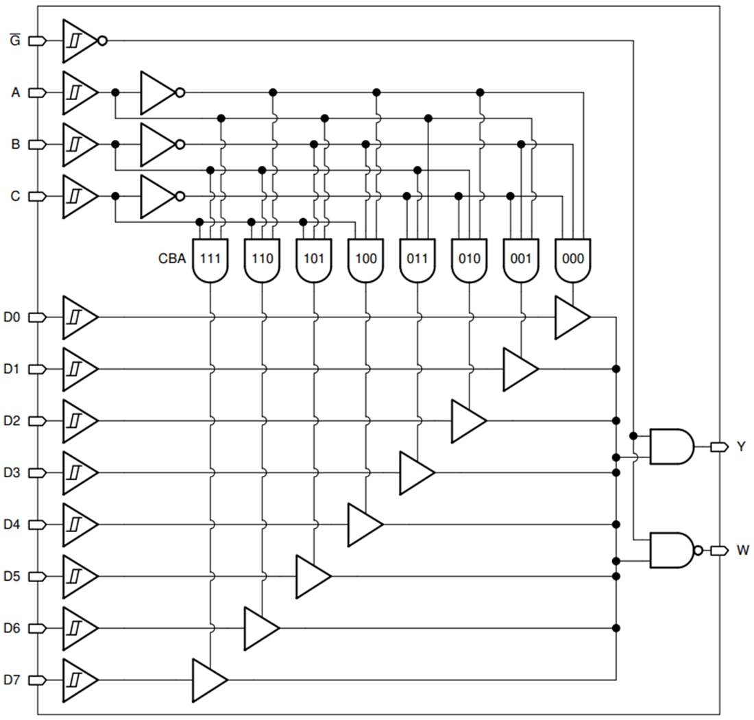
Texas Instruments SN74HCS151/SN74HCS151-Q1 8-to-1-Multiplexer enthalten eine vollständige binäre Dekodierung zur Auswahl einer von acht Datenquellen und komplementären Ausgängen. Der Stroboskop-Eingang (G) muss sich auf einem niedrigen Logikpegel befinden, um die Eingänge zu aktivieren. Ein hoher Pegel am Stroboskop-Anschluss zwingt einen hohen W-Ausgang und einen niedrigen Y-Ausgang. Die SN74HCS151-Q1 Bauteile von Texas Instruments sind gemäß AEC-Q100 für Fahrzeuganwendungen zugelassen.

Merkmale

  • Großer Betriebsspannungsbereich: 2 V bis 6 V
  • Schmitt-Trigger-Eingänge ermöglichen langsame oder verrauschte Eingangssignale
  • ±7,8 mA Ausgangsantrieb bei 6 V
  • -40 °C bis +125 °C, TA erweiterter Umgebungstemperaturbereich
  • Geringer Stromverbrauch
    • ICC von 100 nA (typisch)
    • Typischer Eingangsableitstrom von ±100 nA

Applikationen

  • Datenauswahl
  • Multiplexing

Funktionales Blockdiagramm

Blockdiagramm - Texas Instruments SN74HCS151/SN74HCS151-Q1 8-zu-1-Multiplexer
Veröffentlichungsdatum: 2020-12-08 | Aktualisiert: 2024-10-11