Texas Instruments SN74HCS138/SN74HCS138-Q1 Decoder/Demultiplexer
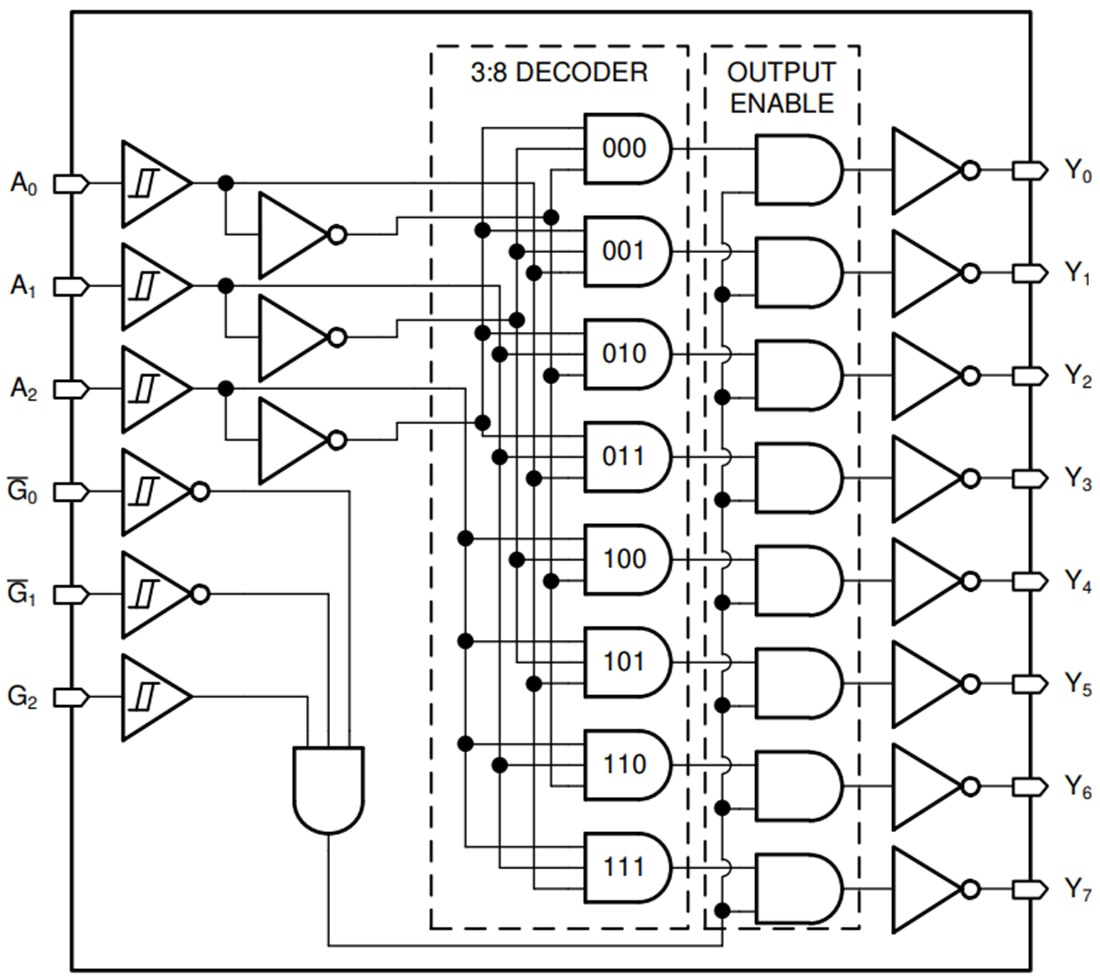
Der Texas Instruments SN74HCS138/SN74HCS138-Q1 Decoder/Demultiplexer ist ein Drei-zu-Acht-Decoder mit einem Standard-Ausgangs-Stoposkop (G2) und zwei Active-Low-Ausgangsstroposkope (G1 und G0). Wenn die Ausgänge von einem der Stroboskopeingänge gesperrt werden, werden sie alle in den hohen Zustand gezwungen. Wenn die Ausgänge von den Stroboskopeingängen nicht deaktiviert werden, ist nur der ausgewählte Ausgang niedrig, während alle anderen hoch sind. Die SN74HCS138-Q1 Bauteile von Texas Instruments sind gemäß AEC-Q100 für Fahrzeuganwendungen zugelassen.Merkmale
- Großer Betriebsspannungsbereich: 2 V bis 6 V
- Schmitt-Trigger-Eingänge ermöglichen langsame oder verrauschte Eingangssignale
- ±7,8 mA Ausgangsantrieb bei 6 V
- Erweiterter Umgebungstemperaturbereich, T A: -40 °C bis +125 °C
- Niedriger Stromverbrauch
- ICC von 100 nA (typisch)
- Typischer Eingangsleckstrom von ±100 nA
Applikationen
- Speicherbauteil-Auswahl mit einem geteilten Datenbus
- Streckendaten
- Reduziert die erforderliche Anzahl von Ausgängen für Chip-Auswahlapplikationen
Datenblätter
Funktionales Blockdiagramm
Veröffentlichungsdatum: 2020-10-26
| Aktualisiert: 2024-09-06
