Texas Instruments SN74HC393/SN74HCS393 Duale 4-Bit-Binärzähler
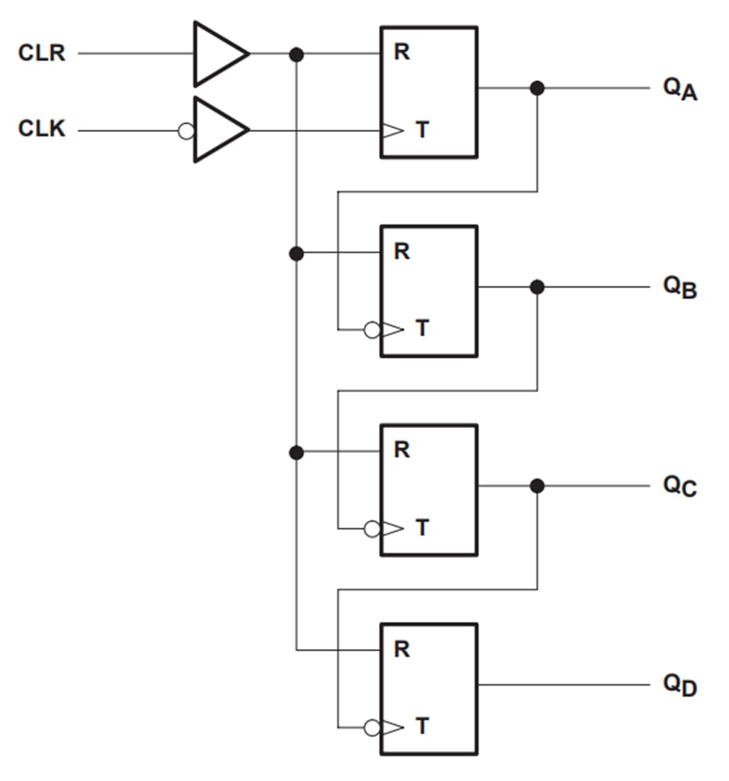
Die dualen 4-Bit-Binärzähler der Baureihe SN74HC393/SN74HCS393 von Texas Instruments enthalten acht Flip-Flops und zusätzliches Gating, um zwei individuelle 4-Bit-Zähler in einem einzigen Gehäuse zu implementieren. Diese Bauelemente bestehen aus zwei unabhängigen 4-Bit-Binärzählern, die jeweils über einen Lösch- (CLR) und einen Takt- (CLK) Eingang verfügen. Die N-Bit-Binärzähler können in jedem Gehäuse implementiert werden, sofern diese die Möglichkeit zum Dividieren durch 256 bieten. Die Baureihe SN74HC393/SN74HCS393 von Texas Instruments bietet parallele Ausgänge von jeder Zählerstufe, so dass ein beliebiger Teiler der Eingangszählfrequenz für Systemtaktsignale zur Verfügung steht.Merkmale
- Breiter Betriebsspannung Bereich von 2 V bis 6 V
- Die Ausgänge können bis zu 10 LSTTL-Lasten ansteuern
- Geringe Leistungsaufnahme von 80 µA (max.) ICC
- Typisch tpd = 13 ns
- ±4 mA Ausgangsantrieb bei 5 V
- Niedriger Eingangsstrom von 1 µA (max.)
- Zwei 4-Bit-Binärzähler mit individuellen Taktgebern
- Direktes Löschen für jeden 4-Bit-Zähler
- Die Systemdichte kann durch die Reduktion der Zählergehäuse um 50 % erheblich verbessert werden.
Logik-Diagramm (positive Logikschaltung)
Veröffentlichungsdatum: 2024-12-03
| Aktualisiert: 2024-12-13
