Texas Instruments SN74AHC595/SN74AHC595-Q1 Zähler-Schieberegister
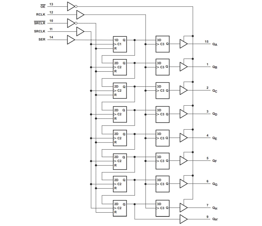
Die Zähler-Schieberegister SN74AHC595/SN74AHC595-Q1 von Texas Instruments enthalten ein 8-Bit-Schieberegister mit seriellem Eingang und parallelem Ausgang, das ein 8-Bit-Speicherregister des Typs D bietet. Das Speicherregister verfügt über parallele dreistufige Ausgänge. Sowohl für das Schieberegister als auch für das Speicherregister werden separate Takte werden bereitgestellt. Das SN74AHC595/SN74AHC595-Q1 von TI verfügt über einen direkten überschreibenden Löscheingang (SRCLR), einen seriellen Eingang (SER) und einen seriellen Ausgang zur Kaskadierung. Wenn der OE-Eingang (Output-Enable) hoch ist, befinden sich alle Ausgänge, außer QH′, im hochohmigen Zustand. Die SN74ACH595-Q1 Bauteile sind gemäß AEC-Q100 für Fahrzeuganwendungen zugelassen.Merkmale
- Für Fahrzeuganwendungen zugelassen (SN74ACH595-Q1)
- Betriebsbereich von 2 V bis 5,5 VCC
- 8-Bit-Verschiebung mit seriellem Eingang und parallelem Ausgang
- Latch-Up-Leistung übertrifft 100 mA gemäß JESD 78, Klasse II
- ESD-Schutz überschreitet JESD 22
- 2.000 V Human-Body Model (A114-A)
- 1.000 V Charged-Device Model (C101)
Applikationen
- Netzwerkschalter
- Energieinfrastrukturen
- LED-Displays
- Server
- Aktiviert oder deaktiviert ein digitales Signal
- Steuert eine Anzeige-LED
- Umsetzung zwischen Kommunikationsmodulen und Systemsteuerungen
Datenblätter
Logisches Diagramm (positive Logik)
Veröffentlichungsdatum: 2024-07-19
| Aktualisiert: 2024-07-30
