Texas Instruments SN74AHC594/SN74AHC594-Q1 8-Bit-Schieberegister
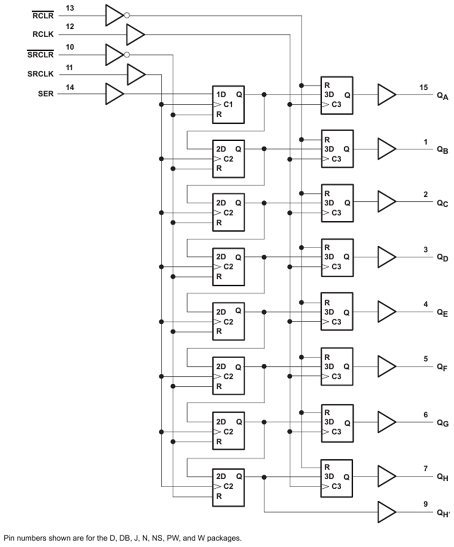
Das Texas Instruments SN74AHC594/SN74AHC594-Q1 8-Bit-Schieberegister enthält ein 8-Bit-SIPO-Schieberegister (Serial-in-Parallel-Out, SIPO), das ein 8-Bit-D-Typ-Speicherregister speist. Das Schieberegister und die Speicherregister verfügen über separate Taktgeber und direkte übergeordnete Löscheingänge (RCLR, RCLR). Ein serieller Ausgang (QH′) ist für die Kaskadierung vorgesehen. Die SN74AHC594-Q1 Bauteile von Texas Instruments sind für Fahrzeuganwendungen AEC-Q100-qualifiziert.Merkmale
- Betriebsbereich: 2 V bis 5,5 V VCC
- 8-Bit-Schieberegister mit Serial-in-Parallel-out-Eingang mit Speicher
- Unabhängige direkte Übersteuerung löscht Schiebe- und Speicherregister
- Unabhängige Taktgeber für Schieberegister und Speicherregister
- Latch-Up-Leistung übertrifft 100 mA gemäß JESD 78, Klasse II
- ESD-Schutz überschreitet JESD 22
- 2.000 V Human-Body Model (A114-A)
- 1.000 V Charged-Device Model (C101)
Applikationen
- Netzwerkschalter
- Stromversorgungs-Infrastrukturen
- PCs und Notebooks
- LED-Displays
- Server
Datenblätter
Logikschaltbild (Positive Logikschaltung)
Weitere Ressourcen
- Applikationshinweis: Auswirkungen von langsamen oder potenzialfreien CMOS-Eingängen
- Auswahlhilfe: Little-Logik-Leitfaden
- Auswahlhilfe: Logik-Leitfaden
- Applikationshinweis: So wählen Sie Little Logic aus
- Applikationshinweis: Standardlogik-Datenblätter verstehen und interpretieren
- Benutzerhandbuch: LOGIC Pocket Data Book
- Applikationshinweis: Auswahl der richtigen Pegelumsetzungslösung
- FAS: Die Technologie, die die Automotive-Sicherheit vorantreibt
Veröffentlichungsdatum: 2024-04-26
| Aktualisiert: 2025-06-06
