Texas Instruments SN74ACT2G101/Q1 Dual konfigurierbare Daten-Flip-Flops
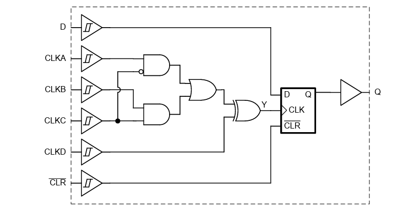
Die SN74ACT2G101/Q1 Dual konfigurierbaren Daten-Flip-Flops von Texas Instruments verfügen über eine durch steigende Flanke getriggerte, konfigurierbare Logiktaktung, Active-Low-Clear und Dateneingänge. Die Taktgeber-Eingänge können für verschiedene 1- und 2-Eingangs-Logikfunktionen konfiguriert werden, einschließlich Buffern, Wechselrichtern, AND, OR, NAND, NOR, XOR und XNOR. Alle Eingänge nutzen eine Schmitt-Trigger-Architektur, um langsame oder verrauschte Eingangssignale zu unterstützen.Die TI SN74ACT2G101-Q1-Flip-Flops sind für Fahrzeuganwendungen nach AEC-Q100 zertifiziert.
Merkmale
- AEC-Q100-qualifiziert für Fahrzeuganwendungen:
- Gerätetemperaturklasse 1: -40 ° bis +125 °C
- HBM-ESD-Bauteilklassifikation Stufe 2
- Bauelement CDM ESD -Klassifizierungsstufe C4B
- Verfügbar in einem benetzbaren Flanken-QFN-Gehäuse
- Betriebsspannungsbereich 4,5 V bis 5,5 V
- TTL-kompatible Schmitt-Trigger-Eingänge unterstützen langsame und verrauschte Eingangssignale
- Kontinuierliche Ausgangssteuerung von ±24 mA bei 5 V
- Unterstützt einen Ausgangsantrieb von bis zu ±75 mA bei 5 V in kurzen Bursts
- Betreibt 50 Q-Übertragungsleitungen
- Schneller Betrieb mit einer Verzögerung von maximal 10,5 ns
Applikationen
- Hält ein Signal während des Reglerresets
- Langsame Edge-Raten-Signale eingeben
- Betrieb in lauten Umgebungen
Datenblätter
Logik-Diagramm (positive Logik)
Veröffentlichungsdatum: 2026-01-09
| Aktualisiert: 2026-01-21
