Texas Instruments SN74ACT238/SN74ACT238-Q1 3-to-8 Decoder/Demux
Texas Instruments SN74ACT238/SN74ACT238-Q1 3-to-8 Decoder/Demultiplexer enthält einen Standard-Ausgangs-Strobe (G2) und zwei Active-Low-Ausgangs-Strobes (G1 und G0). Wenn alle Kanal-Strobe-Eingänge aktiv sind, ist nur der ausgewählte Ausgang hoch, während alle anderen niedrig sind. Wenn ein Strobe-Eingang inaktiv ist, werden alle Ausgänge in den Niedrigzustand gezwungen. Die Geräte von Texas Instruments SN74ACT238-Q1 sind AEC-Q100-qualifiziert für Automobilanwendungen.Merkmale
- Betriebsspannungsbereich von 4,5 V bis 5,5 V
- TTL-kompatible Eingänge
- Kontinuierliche ±24 mA Ausgangssteuerung bei 5 V
- Unterstützt einen Ausgangsantrieb von bis zu ±75 mA bei 5 V in kurzen Impulsen
- Treiber für 50-Ω-Übertragungsleitungen
- Schneller Betrieb mit einer Verzögerung von 10,9 ns (max.)
Applikationen
- Auswahl des Speichergerätes mit gemeinsamem Datenbus
- Streckendaten
- Reduzieren Sie die erforderliche Anzahl von Ausgängen für Chip-Select-Anwendungen
Weitere Ressourcen
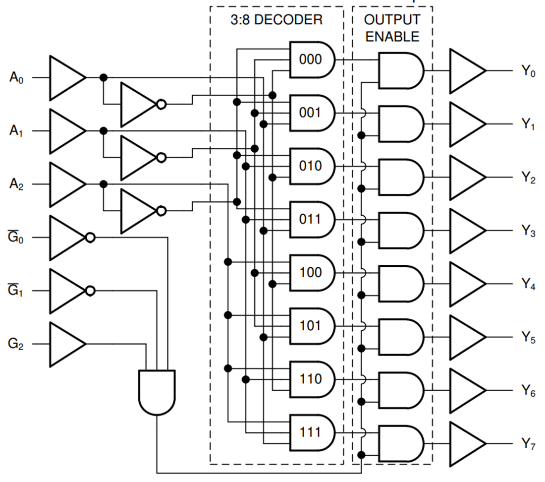
Funktionsdiagramm
Veröffentlichungsdatum: 2025-02-18
| Aktualisiert: 2025-05-06
