Texas Instruments SN74AC596/SN74AC596-Q1 SIPO-Schieberegister
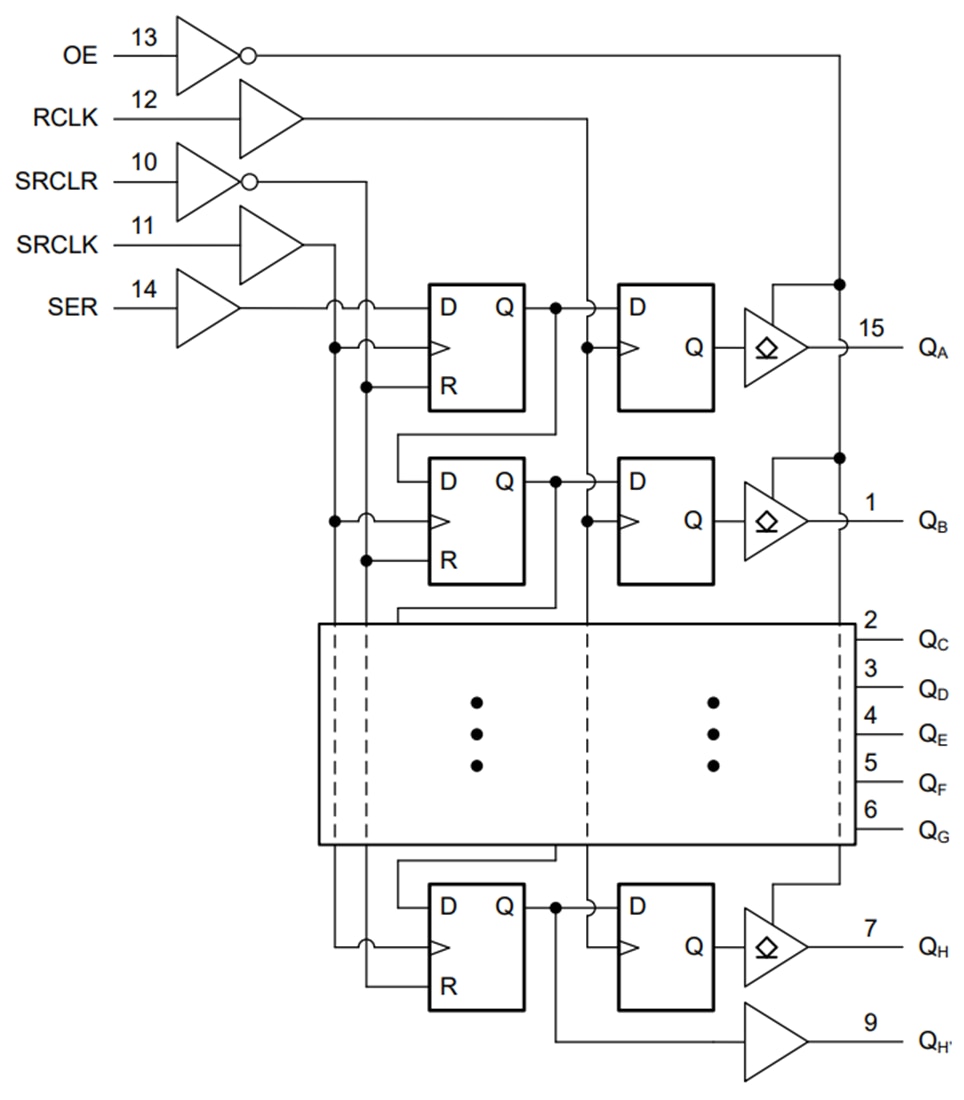
Texas Instruments SN74AC596/SN74AC596-Q1 SIPO-Schieberegister enthalten ein 8-Bit-Schieberegister mit seriellem Eingang und parallelem Ausgang (SIPO), das ein 8-Bit-Speicherregister des Typs D versorgt. Das Speicherregister verfügt über parallele Open-Drain-Ausgänge. Separate Takte sowohl für das Speicher- als auch Schieberegister sind vorhanden. Das Schieberegister verfügt über einen seriellen (SER) Eingang, einen direkten übergeordneten Löscheingang (SRCLR\) und einen seriellen Ausgang (QH & rsquo;) für die Kaskadierung. Wenn der Output-Enable(OE)-Eingang auf High liegt, befinden sich die Ausgänge im hochohmigen Zustand. Die internen Registerdaten werden vom Betrieb des OE\ -Eingangs nicht beeinflusst. Die SN74AC596-Q1 Bauteile von Texas Instruments sind gemäß AEC-Q100 für Fahrzeuganwendungen zugelassen.Merkmale
- Großer Betriebsbereich von 1,5 V bis 6 V
- Eingänge akzeptieren Spannungen bis zu 6 V
- Ununterbrochener ±24 mA Ausgangsantrieb bei 5 V
- Unterstützt bis zu ±75 mA Ausgangsantrieb bei 5 VIN kurzen Bursts
- Steuert 50 Ω Übertragungsleitungen an
- Maximale tpd von 11,4 ns bei 5 V, 50 pF Last
Applikationen
- Erhöht die Anzahl der Ausgänge auf einem Mikrocontroller
- Zwischenspeicherung von bis zu 8 Bits an Daten
Weitere Ressourcen
- SN74AC596 Datenblatt
- SN74AC596-Q1 Datenblatt
- Applikationshinweis: Auswirkungen langsamer oder potentialfreier CMOS-Eingänge
- Auswahlhilfe: Logik-Leitfaden
- Anwendungshinweis: Verstehen und Interpretieren von Datenblättern für Standard-Logikschaltungen
- Benutzerhandbuch: Logik-Taschendatenbuch
- Applikationshinweis: Design mit Logik
- Applikationshinweis: Verwendung von Hochgeschwindigkeits-CMOS und fortschrittlichem CMOS in Systemen mit mehreren VCC
- Erweiterte Fahrerassistenzsysteme (FAS)
Funktionales Blockdiagramm
Veröffentlichungsdatum: 2025-03-25
| Aktualisiert: 2025-05-06
