Texas Instruments REF1112 Shunt-Spannungsreferenzen
Die Shunt-Spannungsreferenzen REF1112 von Texas Instruments sind für leistungs- und platzkritische Anwendungen ausgelegt. Das Bauteil REF1112 hat einen Betriebsstrom von 1 μA und ist in einem SOT23-3-Gehäuse untergebracht. Das Bauteil bietet eine verbesserte, stromsparende Spannungsreferenz für Layouts, die derzeit Spannungsreferenzen in größeren Gehäusen verwenden, wie z. B. REF1004 und LT1004.Die Spannungsreferenzen REF1112 von TI werden für eine Temperatur von -40 °C bis +85 °C angegeben und arbeitet von -40 °C bis +125 °C. Das Bauelement ergänzen andere Komponenten mit 1 μA von Texas Instruments, darunter die stromsparenden Operationsverstärker OPA349 und TLV240x und den Micropower-Spannungskomparator TLV349x.
Merkmale
- Kleines SOT23-3-Gehäuse
- Feste Durchbruchsspannung von 1,25 V in Sperrrichtung
Applikationen
- Batteriebetriebene Messgeräte
- Sicherheitssensoren für Gebäude
- Medizinisches Equipment
- Feldtransmitter
- Kalibratoren
Technische Daten
- Ausgangsspannungstoleranz von ±0,2 % (maximal)
- Geringes Ausgangsrauschen (0,1 Hz bis 10 Hz) von 25 μVpp (typisch)
- Temperaturbereich -40 °C bis +125 °C
- Betriebsstrombereich von 1,2 μA bis 5 mA
- Niedriger Temperaturkoeffizient von 0 °C bis +70 °C, 30 ppm/°C (Maximum)
- Niedriger Temperaturkoeffizient von -40 °C bis +85 °C, 50 ppm/°C (Maximum)
Applikationsschaltschema
Pinbelegung
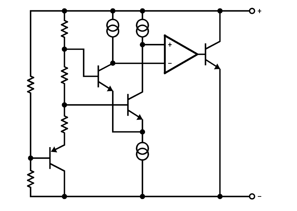
Funktionales Blockdiagramm
Veröffentlichungsdatum: 2025-01-17
| Aktualisiert: 2025-01-28
