Texas Instruments PCA95xx I²C und SMBus-Repeater, -Schalter und -Expander
Texas Instruments PCA95xx I²C und SMBus-Geräte bestehen aus einer Vielzahl an Logik-ICs einschließlich Repeater, bidirektionaler Umwandlungsschalter und I/O-Expander.
TI PCA9515A dualer bidirektionaler I²C- und SMBus-Repeater ist ein BiCMOS-IC, der für I²C und SMBus-Systemanwendungen entwickelt wurde. Der PCA9515A enthält zwei identische bidirektionale Open-Drain-Pufferschaltkreise, die I²C und ähnlichen Bussystemen Erweiterung ohne Systemleistungseinbußen ermöglichen.
PCA9515A Features
Bidirektionale Zwei-Kanal-Puffer
I²C Bus- und SMBus-kompatibel
Aktiv-high, Repeater-freigeschalteter Eingang
Open-Drain-I²C I/O
5.5-V toleranter I²C I/O und freigeschalteter Eingang unterstützt Mixed-Modus-Signalbetrieb
Lockup-Freier Betrieb
Inklusive Standard-Modus- und Fast-Modus-I²C-Geräte und mehrerer Master
Unterstützt Arbitration und Taktstretching durch den Repeater
Ausgeschaltete Hoch-Impedanz-I²C-Pins
Latch-Up-Leistung über 100 mA nach JESD 78, Klasse II
Der TI PCA9544A ist ein bidirektionaler Vierfach-Umwandlungsschalter, der durch den I²C-Bus gesteuert wird. Das vorgeschaltete SCL/SDA-Paar auf dem PCA9544A fächert sich in vier vorgeschaltete Paare auf, beziehungsweise in Kanäle auf dem PCA9544A, und ein SCL/SDA-Paar kann jeweils ausgewählt werden, was durch die Inhalte des programmierbaren Kontrollregister festgelegt ist.
PCA9544A Features
1-von-4 Bidirektionaler Umwandlungsschalter
I²C Bus- und SMBus-kompatibel
Vier aktiv-low Interrupteingänge
Aktiv-low Interruptausgang
Drei Adressenanschlüsse ermöglichen bis zu acht Geräte auf dem I2C-Bus
Kanalauswahl vie I²C-Bus
Hochfahren mit allen Schaltkanälen deaktiviert
Niedrige RON-Schalter
Erlaubt Spannungslevelumwandlung zwischen 1.8V, 2.5V, 3.3V und 5V Buses
Keine Störimpulse beim Anschalten
Unterstützt Hot Insertion
Niedriger Standby-Strom
Betriebsspannungsversorgungsbereich von 2.3V bis 5.5V
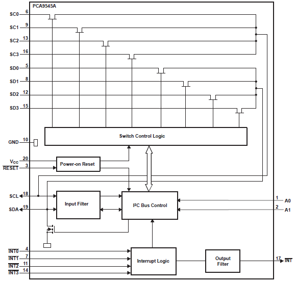
TI PCA9545A ist ein bidirektionaler Vierfach-Umwandlungsschalter, der durch den I²C-Bus gesteuert wird. Das vorgeschaltete SCL/SDA-Paar auf dem PCA9545A fächert sich in vier vorgeschaltete Paare oder Kanäle auf. Auf dem PCA9545A kann jeder individuelle SCn/SDn-Kanal oder eine Kombination von Kanälen ausgewählt werden, was durch die Inhalte des programmierbaren Kontrollregister festgelegt ist.
PCA9545A Features
1-von-4 Bidirektionaler Umwandlungsschalter
I²C-Bus und SMBus-kompatibel
Vier Aktiv-Low Interrupteingänge
Aktiv-Low Interruptausgang
Aktiv-Low Reset-Eingang
Zwei Adressenanschlüsse erlauben bis zu vier Geräte auf dem I²C-Bus
Kanalauswahl via I²C Bus, bei jeder Kombination
Hochfahren mit allen Schaltkanälen deaktiviert
Niedriger RON Schalter
Ermöglicht Spannungslevelumwandlung zwischen 1.8V, 2.5V, 3.3V und 5V Buses
Keine Störimpulse beim Anschalten
Unterstützt Hot Insertion
Niedriger Standby-Strom
Betriebsspannungsversorgungsbereich von 2.3V bis 5.5V
TI PCA9554A ist ein Remote-8-Bit-I²C- und SMBus-Expander. Der PCA9554A bietet generelle I/O-Erweiterung für die meisten Microcontroller-Familien via I²C-Schnittstelle.
PCA9554A Features
I²C zu parallelem Port-Expander
Open-Drain Aktiv-Low Interruptausgang
Betriebsspannungsversorgungsbereich von 2.3V bis 5.5V
5V tolerante I/Os
400kHz schneller I²C-Bus
Drei Hardware-Adressenanschlüsse ermöglichen bis zu acht Geräte auf dem I²C/SMBus
Eingangs-/Ausgangskonfigurationsregister
Polaritätsumstellungsregister
Internes Power-On-Reset
Hochfahren mit allen Kanälen konfiguriert als Eingänge
Keine Störimpulse beim Anschalten
Selbsthaltende Ausgänge mit Hochstrom sorgen für maximale Leistung für direkten LED-Antrieb
Latch-Up-Leistung über 100 mA nach JESD 78, Klasse II
TI PCA9557 ist ein Remote-8-Bit-I²C- und SMBus-Expander. Der PCA9557 bietet generelle I/O-Erweiterung für die meisten Microcontroller-Familien via I²C-Schnittstelle.
PCA9557 Features
Niedriger Standby-Stromverbrauch von 1µA Max
I²C zu parallelem Port-Expander
Betriebsversorgungsspannungsbereich von 2.3V bis 5.5V
5V tolerante I/O Ports
400-kHz schneller I²C-Bus
Drei Hardware-Adressanschlüsse ermöglichen den Einsatz von bis zu acht Geräten auf dem I²C/SMBus
Leistungsstarker Migrationspfad für PCA9556
Eingangs-/Ausgangskonfigurationsregister
Polaritätsumstellungsregister
Aktiv-Low Reset-Eingang
Internes Power-On-Reset
Hochimpedanz-Open-Drain auf P0
Hochfahren mit allen Kanälen konfiguriert als Eingänge
Keine Störimpulse beim Anschalten
Rauschfilter für SCL/SDA-Eingänge
Selbsthaltende Ausgänge mit Hochstrom sorgen für maximale Leistung für direkten LED-Antrieb
Latch-Up-Leistung über 100 mA nach JESD 78, Klasse II