Texas Instruments OPA2333/Q1 CMOS-Operationsverstärker

Texas Instruments OPA2333/Q1 CMOS-Operationsverstärker werden in microSize-Gehäusen angeboten und bieten eine hohe Genauigkeit sowie einen geringen Ruhestrom. Die OPA2333/Q1 Verstärker verfügen über eine proprietäre automatische Kalibrierungstechnik, die gleichzeitig eine sehr niedrige Offset-Spannung (max. 10 µV) und eine Drift nahe Null über Zeit und Temperatur gewährleistet. Darüber hinaus liefert das Bauteil hohe Eingangswiderstände mit einem Gleichtaktbereich von 100 mV außerhalb der Schienen sowie einen Rail-to-Rail-Ausgang, der sich innerhalb von 50 mV der Schienen bewegt. Diese Bausteine sind für den Betrieb mit Einzelversorgung bei niedriger Spannung optimiert. Zur Stromversorgung können als Optionen Einzel- oder Dualversorgungen von 1,8 V (±0,9 V) bis zu +5,5 V (±2,75 V) verwendet werden. Der OPA2333/Q1 (Dual-Version) ist in 8-Pin-VSON-, SOIC-, und VSSOP-Gehäusen erhältlich und für den Betrieb bei Temperaturen von –40 °C bis + 125 °C ausgelegt. Die OPA2333/Q1 Bauteile sind für Automobilapplikationen AEC-Q100-qualifiziert.

Merkmale

  • Niedrige Offsetspannung: ±10 µV (max.)
  • Nullpunktdrift: 0,05 µV/°C (max.)
  • 0,01 Hz bis 10 Hz Rauschen: 1,1 µVPP
  • Ruhestrom: 17 µA
  • Einzel-Versorgungsbetrieb
  • Versorgungsspannung: 1,8 V bis 5,5 V
  • Rail-to-Rail-I/O
  • microSize-Gehäuse: SC70 und SOT23

Applikationen

  • Transducer
  • Temperaturmessungen
  • Elektronische Waagen
  • Medizinische Messgeräte
  • Batteriebetriebene Messgeräte
  • Tragbare Prüfgeräte

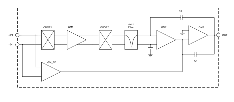
Blockdiagramm

Blockdiagramm - Texas Instruments OPA2333/Q1 CMOS-Operationsverstärker
Veröffentlichungsdatum: 2018-05-16 | Aktualisiert: 2025-02-05