Texas Instruments OPAx202 Stromsparende Präzisions-Operationsverstärker
Texas Instruments OPAx202 Stromsparende Präzisions-Operationsverstärker basieren auf dem branchenführenden, ergänzenden, bipolaren Präzisions-Super-β-Halbleiterverfahren von TI. Dieser Prozess bietet ein extrem niedriges Flimmern, eine niedrige Offsetspannung, einen niedrigen Offsetspannungs-Temperaturdrift und eine ausgezeichnete Linearität mit Gleichtakt- und Spannungsversorgungsvariationen. Der OPAx202 bietet eine außergewöhnliche Kombination aus DC-Präzision, starkem kapazitivem Lastantrieb und Schutz vor externen EMI-, thermischen und Kurzschlussereignissen. Der Versorgungsstrom für dieses Bauteil beträgt 580 µA bei ±18 V. Die OPAx202-Baureihe weist keine Phaseninversion auf, und die Baureihe ist bei hohen kapazitiven Lasten stabil. Diese Baureihe ist mit einem Temperaturbereich von –40 °C bis +105 °C vollständig spezifiziert.Merkmale
- Präzisions-Super-β-Leistung
- Niedrige Offsetspannung: 200 µV (max.)
- Sehr niedriger Offset-Drift: 1 µV/°C (max.)
- Hervorragender Wirkungsgrad
- Ruhestrom: 580 µA (typ.)
- Verstärkungs-Bandbreitenprodukt: 1 MHz
- Niedrige Eingangsstörspannung: 9 nV/√Hz
- Benutzerfreundlich, Einfachheit des Designs
- Großer kapazitiver Lastantrieb: 5 µs Einschwingzeit mit 25 nF
- Extrem hohe Eingangsimpedanz: 3000 GΩ und 0,5 pF
- Gegen elektromagnetische Störungen (EMI) abgeschirmte, Kurzschluss- und Übertemperaturschutz
- Stabile Leistung
- Hohe CMRR und AOL: 126 dB (min.)
- Hohes PSRR: min. 126 dB
- Niedriger Ruhestrom: 2 nA (max.)
- Rauscharm (0,1 Hz bis 10 Hz): 0,2 µVpp
- Breiter Versorgungsbereich: ±2,25 V bis ±18 V
- Ersetzt OP-07 und OP-27
Applikationen
- Sensorerregung
- Koaxial, Leistungsebene, Erdungstreiber
- Ausstattung für Prüf- und Messgeräte
- Wandlerapplikation
- Temperaturmessung
- Präzisions-Aktivfilter
- Batteriebetriebene Messgeräte
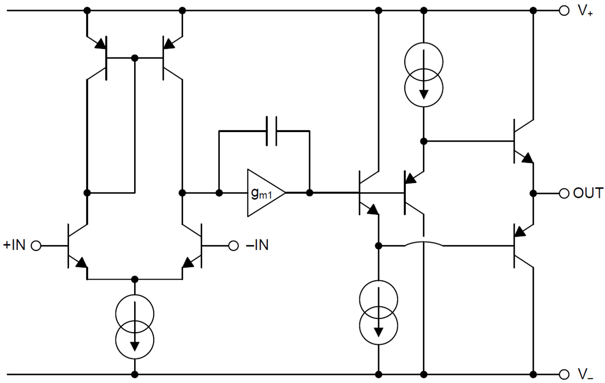
Funktionales Blockdiagramm
Veröffentlichungsdatum: 2018-04-18
| Aktualisiert: 2022-12-02
